Здравствуйте, уважаемые читатели и гости сайта «Заметки электрика».
В одной из своих статей я рассказывал Вам, что для внутреннего освещения распределительных устройств (РУ) подстанций в основном мы применяем трубчатые и компактные люминесцентные лампы (КЛЛ).
Про их преимущества и недостатки читайте .
В этой статье я расскажу Вам, как произвести ремонт компактной люминесцентной лампы Sylvania Mini-Lynx Economy мощностью 20 (Вт) производства Китай.
Данная лампа проработала на подстанции около 1,5 лет. Если режим ее работы перевести в часы, то получится в среднем около 2000 часов, вместо 6000 часов, заявленных производителем.

Идея с ремонтом люминесцентных ламп возникла тогда, когда мне на глаза попалась очередная коробка со сгоревшими лампами, которые планировали утилизировать. Подстанций много, объем ламп большой, соответственно, и сгоревшие лампы регулярно накапливаются.


Напомню Вам, что в люминесцентных лампах содержится ртуть, поэтому выбрасывать их с бытовым мусором не допустимо.
Для начала приведу основные характеристики ремонтируемой лампы Sylvania Mini-Lynx Economy:
- мощность 20 (Вт)
- цоколь Е27
- напряжение сети 220-240 (В)
- тип лампы — 3U
- световой поток 1100 (Лм)

Ремонт энергосберегающей лампы своими руками
С помощью плоской отвертки с широким жалом нужно аккуратно отстегнуть защелки корпуса в местах соединения двух его половинок. Для этого вставляем отвертку в паз и поворачиваем ее в ту или иную сторону, чтобы отщелкнуть первую защелку.

Как только первая защелка откроется, продолжаем вскрывать остальные по периметру корпуса.

Будьте аккуратны, иначе при разборке можно сколоть корпус лампы или, не дай Бог, разбить саму колбу, тогда придется из-за наличия в колбе паров ртути.
Компактная люминесцентная лампа состоит из трех частей:
- 3 U-образные дуговые колбы
- электронная плата (ЭПРА)
- цоколь Е27

Круглая печатная плата — это и есть плата электронного пускорегулирующего устройства (ЭПРА), или другими словами электронный баласт. Рабочая частота ЭПРА составляет от 10 до 60 (кГц). В связи с этим устраняется стробоскопический эффект «моргания» (значительно уменьшается коэффициент пульсаций ламп), который присутствует у люминесцентных ламп, собранных на электромагнитных ПРА (на основе дросселя и стартера) и работающих на частоте сети 50 (Гц).
Кстати, скоро мне принесут попользоваться прибор для измерения коэффициента пульсаций. Произведем замер и сравним коэффициенты пульсаций у лампы накаливания, у люминесцентной лампы с ЭПРА и с ЭмПРА, и у светодиодной лампы.
Подписывайтесь на новости сайта, чтобы не пропустить новые статьи.
Питающие провода от цоколя очень короткие, поэтому не дергайте резко, а то можно их оторвать.

В первую очередь нужно проверить целостность нитей накаливания. В данной энергосберегающей лампе их две. Они обозначены на плате, как А1-А2 и В1-В2. Их выводы намотаны на проволочные штыри в несколько витков без применения пайки.

С помощью мультиметра проверим сопротивление каждой нити.
Нить А1-А2.

Нить накала А1-А2 имеет обрыв.

Нить В1-В2.

Вторая нить В1-В2 имеет сопротивление 9 (Ом).

В принципе, перегоревшую нить можно определить визуально по затемненным участкам стекла на колбе. Но все равно без измерения сопротивления не обойтись.
Сгоревшую нить накаливания А1-А2 можно зашунтировать резистором с номиналом, аналогичным исправной нити, т.е. порядка 9-10 (Ом). Я установлю резистор сопротивлением 10 (Ом) мощностью 1 (Вт). Этого вполне хватит.

Впаиваю резистор с обратной стороны платы на выводы А1-А2. Вот, что получилось.

Между резистором и платой нужно установить прокладку (на фото ее пока нет). Теперь нужно проверить лампу на работоспособность.

Лампа горит. Теперь можно собрать корпус и продолжать ее эксплуатировать.
При таком ремонте запуск люминесцентной лампы будет происходить с некоторым мерцанием (порядка 2-3 секунд) - подтверждение тому смотрите в видео.
Неисправности, встречающиеся при ремонте ламп
Если нити накаливания в лампе исправны, то можно переходить к поиску неисправностей в электронной плате (ЭПРА). Визуально оцениваем ее состояние на наличие механических повреждений, сколов, трещин, сгоревших элементов и т.п. Также не забываем проверить качество пайки — это же китайское изделие.
В моем примере на вид плата чистая, трещин, сколов и сгоревших элементов не наблюдается.

Вот наиболее распространенная схема ЭПРА, которая используется в большинстве компактных люминесцентных лампах (КЛЛ). У каждого производителя есть свои небольшие отличия (разброс параметров элементов схемы в зависимости от мощности лампы), но общий принцип схемы остается тот же.

Выйти из строя могут следующие элементы платы:
- ограничительный резистор
- диодный мост
- сглаживающий конденсатор
- транзисторы, резисторы и диоды
- высоковольтный конденсатор
- динистор
А теперь поговорим о каждом элементе подробнее.
1. Ограничительный резистор
В схеме указан предохранитель FU, но зачастую он просто отсутствует, как в моем примере.

Его роль выполняет входной ограничительный резистор. При возникновении какой-либо неисправности в лампе (ток короткого или перегруз) ток в цепи растет и резистор сгорает, тем самым разрывая цепь питания. Резистор усажен в термоусадочной трубке. Один его вывод соединен с резьбовым контактом цоколя, а второй - с платой.

Я решил проверить этот резистор — он оказался целым, а значит можно сделать вывод, что короткого замыкания в цепи не было — произошел просто обрыв нити А1-А2. Сопротивление резистора составляет 6,3 (Ом).

Если у Вас резистор «не звонится», то в любом случае нужно искать причины по которым он сгорел (см. далее по тексту). При сгоревшем резисторе лампа гореть не будет.
2. Диодный мост
Диодный мост VD1-VD4 служит для выпрямления сетевого напряжения 220 (В). Выполнен он на 4 диодах марки 1N4007 HWD.

Если диоды «пробиты», то соответственно, производим их замену. При пробое диодов ограничительный резистор, как правило, тоже сгорает, а лампа перестает гореть.
Электролитический конденсатор С1 сглаживает пульсации выпрямленного напряжения. Очень часто выходит из строя (теряет емкость и вздувается), особенно в китайских лампах, поэтому не лишним будет его проверить. При его неисправности лампа плохо включается и гудит.
На фотографии он зеленого цвета. Имеет емкость 4,7 (мкФ) напряжением 400 (В).

4. Транзисторы, резисторы и диоды
На двух транзисторах VT3 и VT4 собран высокочастотный генератор (импульсный преобразователь). В качестве транзисторов применяются высоковольтные кремниевые транзисторы серий MJE13003 и MJE13001. Для моей 20-Ваттной лампы установлено два транзистора серии MJE13003 ТО-126.

Чтобы проверить транзисторы, их нужно выпаивать из схемы, т.к. между их переходами подключены диоды, резисторы и низкоомные обмотки тороидального трансформатора, что ложно отразится при измерении мультиметром. Зачастую выходят из строя резисторы R3 и R4 в цепи базы транзисторов — их номинал около 20-22 (Ом).
5. Высоковольтный конденсатор
Если лампа сильно мерцает или светится в районе электродов, то скорее всего причиной тому является пробой высоковольтного конденсатора C5, подключенного между нитями накала. Этот конденсатор создает высоковольтный импульс для появления разряда в колбе. И если он пробит, то лампа не загорится, а в районе электродов будет наблюдаться свечение из-за разогрева спиралей (нитей накаливания). Кстати, это одна из распространенных неисправностей.
В моей лампе установлен конденсатор B472J 1200 (В). Если он вышел из строя, то его можно заменить на конденсатор с более высоким напряжением, например, 3,9 (нФ) 2000 (В).

6. Динистор
Динистор VS1 (по схеме DB3) выглядит как миниатюрный диод.

При достижении между анодом и катодом напряжения около 30 (В) он открывается. С помощью мультиметра проверить динистор не возможно, только лишь его целостность — он не должен «звониться» ни в одном направлении. Из строя выходит гораздо реже, нежели предыдущие элементы. У маломощных ламп динистор обычно отсутствует.
7. Тороидальный трансформатор
Тороидальный трансформатор Т1 имеет кольцевой магнитопровод, на котором намотаны 3 обмотки. Количество витков каждой обмотки находится в пределах от 2 до 10. Практически не выходит из строя.

Хотел бы отметить то, что лампа Sylvania имеет холодный запуск, т.к. у нее в схеме отсутствует позистор РТС (терморезистор с положительным коэффициентом).

Это значит, что при включении лампы ток подается на холодные нити накала (спирали), что отрицательно сказывается на их сроке службы, т.к. они предварительно не прогреваются и при холодном запуске перегорают от скачка тока (аналогично, как у ламп накаливания). А у нас ведь как раз сгорела одна из нитей накала (А1-А2) и это является хорошим тому подтверждением.
При установленном позисторе РТС, ток последовательно проходит через позистор РТС и нити накала, тем самым плавно их разогревая. Затем сопротивление позистора РТС увеличивается, переставая шунтировать лампу, что приводит к резонансу напряжений на конденсаторе С5 и электродах лампы. Высокое напряжение пробивает газ в колбе и лампа зажигается. Это и называется горячим запуском лампы, что положительно сказывается на сроке службы нитей накала.
Почему же выходят из строя электронные компоненты платы?
Причин на самом деле может быть несколько: использование бракованных элементов, низкое качество изготовления, неправильная эксплуатация (частые включения, пониженная или повышенная температура). Как видите, среди вышедших из строя ламп имеются, как китайские производители, так и известные брендовые, типа Osram и Philips. Тут, уж, кому как повезет.
Если у Вас сгорели сразу две нити накала, а электронная плата ЭПРА осталась исправной, то ее можно использовать для питания обычной трубчатой люминесцентной лампы, тем самым избавившись от схемы дросселя со стартером, и уменьшив ее коэффициент пульсаций.
P.S. Уважаемые читатели и гости сайта «Заметки электрика», у кого из Вас имеется опыт по ремонту энергосберегающих ламп, то буду рад, если поделитесь в комментариях своими наблюдениями. Спасибо за внимание.
95 комментариев к записи “Ремонт энергосберегающей лампы Sylvania мощностью 20 (Вт) своими руками”
- Винт М2,5.
- Шайба М2,5.
- Шайба изоляционная М2,5 – стеклотекстолит, текстолит, гетинакс.
- Корпус транзистора.
- Прокладка – отрезок трубки (кембрика).
- Прокладка – слюда, керамика, фторопласт и т.д.
- Радиатор охлаждения.
«Если у Вас сгорели сразу две нити накала, а электронная плата ЭПРА осталась исправной, то ее можно использовать для питания обычной трубчатой люминесцентной лампы, тем самым избавившись от схемы дросселя со стартером, и уменьшив ее коэффициент пульсаций.»
Обратная замена допускается? То есть подключать колбу лампы КЛЛ к ЭПРА для обычной трубчатой ЛЛ.
Обратная замена исключена.
Админ, а почему сгорают нити накала либо элементы управления, это просчеты в схеме или специально сделано производителем? Я видел в ютубе выложены ролики про «запланированное» старение, это правда?
Алексей, про запланированное старение я не верю. В конце статьи я указал реальные причины по которым выходят из строя лампы.
Дмитрий, на фото тороидальный тр-р, кажется, не верно указан.
И ещё один вопрос: обычные трубчатые ЛЛ (на 20 и 40(Вт)) можно также «лечить» резистором при обрыве нити? Спасибо.
Где ж Вы раньше-то были?
Регулярно восстанавливаю КЛЛ. Электронные платы-то ремонтировал, но не догадался шунтировать сгоревшую спираль резистором.
Недавно сдал в переработку целый кулек с колбами. Сейчас буду пробовать впаивать резистор.
Спасибо за совет!
Не поверите, но когда дочитал про вскрытие корпуса,погасла одна из этих самых ламп Как по заказу ))
Добрый вечер. Интересует такой вопрос, резистор МЛТ-1 сопротивлением 10 (Ом), советского производства? Или же российского? Если первый вариант, откуда такие запасы?)
Статья полезна только в масштабах квартиры, и только для прижимистых владельцев))) Не вижу смысла делать ТАК на производстве, тем более государственном. Никто медаль не выдаст 100%. А статья очень полезная, спасибо за труд!
Дмитрий, заинтересовала ваша статья про ремонт КЛЛ. Взялся за дело на ночь глядя, (нашлась одна завалявшаяся), сделал все по инструкции. Единственно, вместо 12 Ом (сопротивление целой нити) впаял шунт на 15 Ом(что нашлось). Лампа ЗАРАБОТАЛА! Ну думаю, можно идти спать с чувством выполненного долга. Однако, после непродолжительной работы лампы заметил, что колба очень сильно нагревается (как ЛН). Почему??? Ведь такого не должно быть. Всему виной неправильно подобранное сопротивление или же дело в самом принципе ШУНТА? Что то подобное происходило в вашем опыте?
А как с улучшением вентиляции путем сверления корпуса?
Андрей, Вы правы, резистор советского производства. Запасы сохранились с тех же времен. Резисторы и прочие плупроводниковые элементы закупали для группы ремонтов приборов, которая раньше входила в состав нашей электролаборатории. Сейчас группу перевели в другое подразделение, а запасы остались.
Мсье Серж, занимаюсь их ремонтом не ради медали, а исключительно ради опыта.
Антон, попробуйте заменить резистор на 9-10 (Ом) и повторите эксперимент. У меня лампа не греется больше обычного.
elalex, на этом экземпляре сверлить отверстия для охлаждения не стал, хотя было бы не плохо.
Дмитрий, может быть мой вопрос покажется вам глупым, но все же: Нить накала перегорела, мы устанавливаем шунт — за счет чего происходит розжиг лампы??? Ведь нить так и осталась в колбе перегоревшей???
У меня проблема с эпра ми 18 X 4 .Замена эпра мучительное дело,схема расключки не совпадает с оригиналом,каждый раз приходиться снимать светильник,и делать новую проводку под новую эпра. Ест ли возможность ремонта сгоревшей эпра?
А можно выложить версию для печати?
Статья хорошая, но только для тех кто дружит с электроникой. Для людей далеких от таких вещей проще будет купить новую, чем искать специалиста для ремонта. Не думаю, что ремонт будет дешевле покупки новой лампы.
Чисто мое мнение.
Спасибо за статью,Дмитрий.Как всегда все разобрано основательно,лучше не напишешь.Для меня новшество-шунтирование перегоревшей нити.
Опять спасибо!
Я думаю, что перед тем, как измерять сопротивление нитей накаливания и определять их целостность, нужно отсоединить их от схемы. Или я не прав?
Сергей, не обязательно, обходных цепочек нет.
Антону (за 16.10.14.):За счёт 2-й нити накала — она испускает электроны, а впаянное сопротивление-шунт восстанавливает цепочку, которая должна работать перед поджигом лампы (перед пробоем газового промежутка). После зажигания лампы эта цепочка будет не нужна. См. схему, приведённую в статье. Аналог данной цепочки в обычных трубчатых лампах дневного света — электрическая цепь, в которой стоит стартёр (после поджига лампы стартёр шунтируется цепью через саму лампу, сопротивление которой становится небольшим).
Дмитрий, спасибо за статью! У меня похожая по схеме лампа с ЭПРА. Проблема такая. Буквально вчера при работе лампы раздался маленький взрыв. Добрался до платы, обнаружил, в конце концов, что резисторы R3 и R4 в цепи базы транзисторов (по вашей схеме)- их номинал у меня оказался где-то 7 Ом (судя по цветным кругам) неисправны. Выпаял, заменил на исправные — при включении опять микровзрыв -(
При этом проверил тестером уже все элементы, и емкости конденсаторов, никаких отклонений не обнаружил, на конденсатор C1 приходит порядка 300В. Никак не пойму, в чем проблема, не подскажете, в чем первопричина выхода из строя этих сопротивлений?
Спасибо за статью. Восстановил две лампы))) В одной был отпаян контакт на спирали, у другой заменил высоковольтный конденсатор.
На подходе еще три с обрывом нитей. Осталось найти резисторы.
Андрею: А сами транзисторы проверили? Часто, из-за перегрева /нето, чтобы неудачный дизайн — я думаю, все специально так сделано дабы увеличить подажи этого хлама/ коротят сами транзисторы либо же выпрямители. В транзисторах первым погибает эмиттерный переход а уж оттуда… Хотя были штуки,/с виду вроде все ОК, а не пашут/ у которых коэфф.передачи тока ну, прям погибал. Был да сплыл, где-то нижи 5 и даже 3-х единиц. Опять-таки, из-за перегрева. Я корпуса «сверлил» жалом паяльника с боковых сторон /пока корпус разобран/. Все нормально. Еще вот что: Лампы дольше горят цоколем вниз, ибо тепло от трубок нагревает коробку, когда она сверху. Факт. Ставьте их, лучше, чтоб стояли, а не чтоб «висели». К тому же, надо время от времени сдувать пыль и зажаренные мотылечки с /недостаточных/ центральных отверстий на крышке корпуса, что со стороны трубочек. Засори отверстия, и 3,14здец конвективному охлаждению ППП. Те и так натянуты ну, по самые уши и без очков. Далее: лучше, если ставить на месте перегоревшей нити резистор то, до того, объединять два ее проводка, разорвав дорожку до /или после/ штырька, где ставим резистор. Улучшается эмиссия, ибо половинки нити уже при одинаковых потенциалах пашет.
Т.е. должна пахать. А там-там посмотрим.
Установил резистор 10 ом. Объединил 2 проводка. При подсоединении на один их выводов резистора зажглась. Греется конец колбы, где оборванная спираль. Пластмасса плавится.
Админ, наверно глупый вопрос, но почему сопротивление 1Вт? Имеется лампа на 11Вт Эколайт. Проверил спирали, одна дохлая, вторая 12,3Ом. Имеется сопротивление 12 Ом/ 0,25Вт. Могу ли я поставить его, и что может произойти в моем случае, мне не хотелось бы устроить пожар при первом моем ремонте ламп??? Почитал про закон Ома. Мощность сопротивления можно рассчитать, но я знаю только сопротивление резистора. А какое напряжение подается на нити накаливания или какой ток через них протекает?
Всё хорошо, но про шунтирование сгоревшей нити — откровенно вредный совет, кончиться может разгерметизацией колбы, бабахом ЭПРА, а то и пожаром. Нити в люминесцентных лампах как правило просто так не сгорают, с них в процессе эксплуатации распыляется паста-эмиттер (что хорошо видно по появлению характерной «копоти» на колбе лампы около нити), а т.к. чистый металл обладает худшими эмиссионными способностями, то нить начинает сильнее греться, вплоть до ярко-белого каления и плавления стекла колбы вместе с пластиком основания.
Зашунтировать (достаточно простой перемычки, резистор -лишнее)нить можно лишь в том случае, когда эмиссия в норме, а например нить просто стрясли. И то подобная лампа будет миной замедленного действия. Справедливости ради, сберегайки все оными и являются, ведь защит у ЭПРА нету (предохранитель не в счет, да и встречаются экземпляры где его нет)вообще! Он будет молотить что называется до победного конца. Это в полной мере относится и к простейшим китайским ЭПРА для линейных ламп, собственно схема у них один к одному. Фирменный же ЭПРА просто отключится.
И тут надо отметить, что «толстые» лампы по сравнению с компактными колбами имеют совершенно другие рабочие параметры (ниже напряжение, но больше ток) и поэтому подключать оные к ЭПРА от КЛЛ не совсем корректно. Лампа будет недогружена (а т.к. нити при работе подогреваются непосредственно током разряда, то при недогрузе с них будет усиленно распыляться эмиттер, ведь рассчитаны они на определенную рабочую температуру, которая достигается при номинальном токе, и в итоге лампа быстрее сдохнет), а сам ЭПРА будет перегружен. Посему подключать можно только схожие по общей длине/диаметру трубки лампы. И хорошо бы замерить фактическую потребляемую мощность получившегося «кентавра», что при отсутствии необходимых приборов, проще всего сделать запитав ЭПРА от постоянного тока (выпрямителя сети с достаточной емкостью фильтра, имеющегося в составе компьютерного БП например). Ток потребления мерять удобнее косвенно, без разрыва цепи, подключив ЭПРА в выпрямителю через низкоомный резистор с известным сопротивлением.
Кстати, при ремонте ЭПРА, крайне желательно первое включение произвести через лампочку, если что-то не так, и в схеме коротыш, то «микровзрыва» не будет, а лишь загорится лампочка. Мощности лампочки ватт 60-75, или даже 40, вполне достаточно. Принцип тут следующий — начинать лучше с меньшей мощности, и если ЭПРА в целом ведет себя адекватно, то можно пробывать с большей мощностью лампочки, и затем уже напрямую в сеть.
И еще полезно увеличить конденсатор фильтра, из расчета 1 мкФ на 1 Вт мощности ЭПРА, или попросту какой влезет. Очень тяжелый у него режим, размах пульсаций на нем под 100 В!.. Только тут нужно не забыть про бросок тока при включении, ведь ограничительного резистора штатно может и не быть, или потребуется замена его на помощнее.
Админ,обратная замена (колба КЛЛ к ЭПРА прямых ламп) допускается,так как это абсолютно идентичные ЭПРА,только формой платы отличаются.кстати если приспособить колбу от КЛЛ к ЭПРА обычных прямых ламп типа ЛБ20 и тому подобных то и колба и ЭПРА проживет намного дольше(В КЛЛ плохо то что при эксплуатации лампы цоколем вверх ЭПРА ПРОСТО СЖАРИВАЕТСЯ от тепла колбы,поэтому и выходит из строя
Эдуард, нельзя так делать! Режимы колб КЛЛ и прямых ламп различаются, о чем собственно я выше уже говорил. В данном случае мы перегрузим «тонкую» трубку колбы, жить она будет ярко, но недолго.
А вот про эксплуатацию цоколем вверх — согласен.
Я ремонтировал клл 55 вт, вместо штатного эпра поставил от лампы 30 вт, только заменил транзисторы на более мощные с13007 и конденсатор фильтра на 47 мкф. Работает более полугода и по сей день. Уменьшения яркости не заметно. На работе надоели жужжащие светильники 2х36 вт. У меня были эпра от клл 105 вт с колбой 6U. Переделал 3 светильника — работают прекрасно уже года два. Поменял 2 или 3 лампы за все время из-за обрыва накала.
Спасибо за статью.
В абзаце где говорится про трансформатор, на картинке стрелкой указано на дросель. Трансформатор находится за ним, намотан на феритовом кольце.
Спасибо за статью. Я столкнулся с тем, что при выключении лампы в комнате она начинает моргать с периодом в 5-10 секунд, что это может быть. Лампа новая.
Были сданы на утилизацию более 20 ламп 30-55 ватт. Стал разбираться. Причина выхода из строя у всех одна, сгорела ЭПРА, нити накала целы. Видно стояли в герметичных светильниках, отсюда перегрев. По поводу использования ЭПРА с трубчатыми лампами 18 Ватт, 2,5 года полет нормальный, при условии использования ЭПРА от 18 Ваттной сберегающей лампы. Ставил от более мощной 20-26 Ватт хватает на пол года и перегорает спираль на трубчатой лампе. Так-же использую исправные ЭПРА как электронный трансформатор со стабилизатором на 12 Вольт для светодиодов и светодиодной ленты
2 года, пока без претензий. Только пришлось на транзисторы закрепить радиаторы. Также использую востановленные лампы с разными колбами и ЭПРА, но одинаковой мощности, 3-4 года уже работают. Буду пробовать зажигать лампы с шунтом, пробовал без шунта, греются.
Спасибо, вы были правы, сейчас фазу пустил через выключатель лампа перестала моргать, но по ней проходят какие то всполохи. Это наверное из-за низкого качества самой лампы, как вы уже писали.
Впаял резистор, лампа посветила минут пять, пукнула и потухла, горячущая была. Я думаю тут не берётся в расчёт сопротивление холодной и горячей спирали. Когда спирали нагреваются сопротивление их растёт, а резистор как был 10 Ом так и остался. Может для маломощных не подходит такой способ или надо поиграть с сопротивлением резюка. Лампа 11 W.
Попробую внести скромную лепту в тему)) причина как минимум 8 из 10 неисправностей в схемке ЭПРА-это пробой высоковольтного конденсатора в цепи поджига(тот что на 1кВ) Пробовал починить неисправные КЛЛ-почти все ожили после его замены.
Напряжение сети в моем доме 259В, КЛЛ перегорают от перегрева. Могу ли я попробовать их переделать под завышеное напряжение отмотав провод на выходе повышающего трансформатора ЭПРА?
Ярославу 20.05.2015 в 16:13
А если напряжение восстановится, будете доматывать? А как остальные приборы квартиры, наверно тоже страдают?
На первый случай срежьте 10-15В на всей квартире автотрансформатором, непрерывно снимайте статистику напряжения сети, а дальше видно будет.
Ярослав, обратитесь в электросети — 259 (В) — это величина напряжения выше предельно-допустимой нормы. Пусть снижают, т.к. это является нарушением.
Спасибо за советы, но я живу на хуторе, где 10 дворов. Напряжение не ниже 250В уже много лет, заявления не помогают. Разве что собирать какие нибудь бумажные доказательства и обращаться в суд. Каждый телевизор работает через отдельный стабилизатор. Техника времен советского союза такого напряжения не боится, кроме пылесоса — сгорел через несколько минут работы, а в городе, где напряжение в норме работал долгие годы. Лампы накаливания светят ярче и быстрее перегорают. Так что задумался над переделкой техники. Насчет доматывания — думаю не понадобится, поскольку заниженое напряжение не будет так критично как завышеное. Современное радио уже переработал, добавив в схему микросхему стабилизатора КРЕН142.
Найдите мощный автотрансформатор и питайте все, если у вас таки постоянно 250.
Смотрю тема актуальна до сих пор, поэтому вопрос! Опытным путём сам пробовал делать эти шунтирования пол года назад. Лампа в районе цоколя разогревается до высокой температуры и в итоге через пару часов работы выгорает схема, что именно не ковырял. Себе представляю чисто теоретически что лампы в потолочных светильниках трубки которые (20,40,80) имеют тот-же принцип как и энергосберегайки. На потолочные собирал схему с умножителем на 4х диодах и ёмкостях, применяется в случае обрыва нитей накала, статей полно в сети. Но вот не рванёт ли эта мелкая трубочка от энергосберегайки если её оживить схемой на умножителе? Кто пробовал???
А купить(или собрать)стабилизатор не проще? есть же любительские несложные схемы стабилизаторов как раз на основе автотрансформатора с электронным переключением отводов
Хотел б видеть…Трансформатор с четырьмя- пятью отводами мало даст пользы, т.к. слишком «широкие» будут ступени регулировки выходного, и даже такое надо уметь мотать, отводы делать, ой, не так это просто. Схемы есть, не вопрос, но это тоже все привязать надо к автотрансформатору, найти хорошие, качественные реле, создать схему, не допускающую закороток секций тр-ра при переходе со ступени на ступень и много раз за сутки. Чесслово- проще найти хороший готовый.
Коллеги у меня есть штук пять рабочих колб и несколько различных балластов, все от ламп 15-20Вт. Но вот подзабыл как подключать нити колбы к балласту, ибо последний раз ремонтировал года 2 назад. Имеет ли значение куда какую нить, так сказать есть ли «+» и «-» у них или без разницы куда прикручивать? И еще нити нужно обязательно прикручивать или можно припаять к балласту?
Евгений, + и — нет, можете прикручивать как удобно, одну пару слева, вторую справа от конденсатора. На плате должны быть соответствующие штыри.
Я обычно штыри менял на новые, т.к. старые в окисле.
Чтобы не повредить колбу, я особо не прилагал усилий к нитям, поэтому накрутить качественно не всегда получается, особенно на маленьких платах. Следовательно в дополнение еще пропаивал немножко.
По совету автора ремонтировал лампы шунтированием сгоревшей спирали сопротивлением. В итоге лампа работает максимум 3 часа и перегорает. Не вижу смысла ковыряться.Тем более светодиодные уже менее 200 рублей стоят, нужно переходить на современные технологии. А вообще сайт полезный и нужный,спасибо автору за труд.
К сожалению, шунтирование чревато и чаще результат будет отрицательным. Такие лучше сразу откладывать в коробку и потом сдавать в пункт сбора.
А вообще предыдущий правильно отметил — надо уходить на светодиодные: на AliExpress «кукурузы» 25 Вт по 130 рублей.
Причем в отличие от КЛЛ нет опасности, что разобьется.
И главное — возможный ремонт на порядок проще: никаких ВЧ-генераторов — простое понижение до напряжения питания гирлянды.
А уж если сдох диод (тёмная точка), то там же на Ali выписать рулончик SMD5730 (100 шт) для возможного ремонта.
1- кукурузы ваши тоже иногда питают через более сложный балласт, чем просто конденсатор, и ВЧ. там тоже есть.
2- деградация кристаллов в простых схемах питания- явление традиционное, выгорание- в дешевых массово.
Если вспомним разговор о ЛЛ и проч, то тут аналогично- хрошие СД-светильники не могут дешевыми быть.
3- Али и проч. продадут что угодно, а будуд ли ВАХ этих диодов близки вашим старым?
4- опасности разбития нет, а нагрев?
Здравствуйте, в статье ошибка. На одном из фото показан не тороидальный трансформатор, а выходной дроссель. Трансформатор, как видно из названия, имеет кольцеобразный сердечник.
Артем, что такое ТОР я знаю и давно, но если в проспекте прописано такое, то что делать обывателю?
Доброго времени суток!
Я в последнее время столкнулся с такой проблемой. По какой то причине начинают перегреваться и выходить из строя нити накала лампы. Т.е. места в колбе темнеют а пластик в этом месте аж обугливается.
В чём же может быть дело? Если шунтирующие колбу конденсаторы не пробиты и РТС в норме.
На картинке *29.jpg неверно указан торроидальный трансформатор.
Стрелка указывает на дроссель, а сам трансформатор частично виден
на том-же снимке.
Посещая сайты зарубежных самодельщиков, я обратил внимание что там очень популярен так называемый лайф хакинг. Дословно это переводится как «взлом жизни». Не подумайте ничего плохого, к компьютерному хакингу лайф хакинг не имеет никакого отношения! Просто так называют полезные советы, которые помогают людям использовать казалось бы совсем ненужные вещи - пустые жестяные банки, ПЭТ-бутылки, перегоревшие лампочки, выведшие из строя бытовые приборы. Они не выбрасываются, а просто меняют свое амплуа или идут на запчасти для других полезных устройств. Нечто похожее хочу предложить и я.
Энергосберегающие лампы набирают популярность. Евросоюз вообще уже запрещает производить обычные лампы накаливания
. Но к сожалению, энергосберегающие
лампы тоже иногда выходят из строя. Их можно, конечно выбросить и забыть. А можно ее подвергнуть процедуре хакинга. Итак, разбираем перегоревшую энергосберегающую лампу для попытки использовать ее повторно
. Потому что перегорают, как правило, только нити в самой колбе, а электронные компоненты в цоколе лампы работоспособны с вероятностью 99,9%.
Что бы посмотреть, какого цвета внутренности у энергосберегающей лампы , ее надо вскрыть. Что бы не поранить руки о стеклянные трубки (они из тонкого стекла и могут лопнуть в любой момент) , оборачиваем колбу полиэтиленовым пакетом и прихватываем скотчем. Место склейки корпуса очевидно и мы пытаемся разъединить его части с помощью отвертки или мощного ножа. Если делать это аккуратно, потратим минуты 2.
Когда энергосберегающая лампа распадется на три части, нам откроется приведенная картина
Как видим, основные части это колба , плата с электронными элементами (радиодеталями) и цоколь лампы. Теперь прикинем, что и как мы можем применить.
Колба энергосберегающей лампы. Честно говоря, что делать с ним, я пока не придумал. Колба - это запаянная стеклянная оболочка, покрытая изнутри люминофором. Безболезненно вскрыть ее удастся вряд ли. А использовать ее как какой нибудь поплавок - ненадежно – стекло все таки.
Цоколь. Это предмет уже более привлекательный. Ему можно дать вторую жизнь. Ведь это фактически небольшой корпус, с контактом, который можно ввинтить в любой стандартный патрон Е27 или Е14.

Самое простое применение - из этого цоколя можно сделать удлинитель (маломощный, конечно). Только включать его можно будет не в розетку, а в любой патрон. Возможно, самое старшее поколение помнит такие приборы. Назывались они почему то «жулик». Такой своеобразный переходник «лампа-розетка». Между прочим, может быть весьма полезен и в наше время. Особенно при поездках за границу. Поскольку система конструкции розеток может быть в стране свои и оригинальная и не всегда удается приобрести или подобрать переходник к ней, а заряжать мобильник, ноутбук, навигатор, фотоаппарат надо.
Я лично однажды попал в такую ситуацию, отдыхая на Мальдивах. В тот раз – выручила смекалка и то, что я все же инженер электронщик. А вот некоторые соплеменники помаялись с зарядкой, пока я им не рассказал.
В то же время – будь у них такой «жулик» - не было бы проблем! Во всем мире только 2 стандарта ламп (цокольных) и есть - на 27 и на 14 мм цоколь. И подключиться к электросети имея комплект из двух таких переходников можно хоть в Африке.
Другое применение цоколя
- сделать из него светодиодный ночник. Если взять мощные осветительные светодиоды и подобрать к ним гасящее сопротивление, то их можно будет включать в 220-вольтовую сеть. Закрыть все можно какой либо мелкой полупрозрачной игрушкой или просто кусочком оргстекла. Вот и готова светодиодная дежурная лампа или ночник для ребенка. И вкручивать его можно в обычную настольную лампу или бра. А можно обеспечить подсветку в каком то техническом помещении. Ведь такая лампа будет потреблять от силы 1-2 Вт.
Можно сделать переходник с Е27 на Е14 (миньон), а если вы дружите с электроникой, можно собрать в цоколе и какое то другое электронное устройство.
Электронная плата энергосберегающей лампы . Фактически, представляет из себя блок питания – преобразователь, причем высокочастотный.
Рассмотрим поближе, что там есть интересного, на этой плате. Итак:
Диоды - 6 шт. Высоковольтные (220 Вольт) держат, хотя, очевидно и маломощные (вряд ли больше 0,5 Ампер). Но для диодного выпрямительного моста сгодятся вполне.
Дроссель. Вещь в принципе полезная, но не очень. Помехи по сети убирает, где они есть.
Транзисторы средней мощности (Вт по 2). Отличная вещь, ставим жирный +.
Высоковольтный электролит. Емкость хоть и небольшая (4,7 мкФ), зато на 400 вольт. Плюс.
Обычный конденсаторы на разные емкости, но все на 250 вольт. Плюс.
Два высокочастотных трансформатора с неизвестными параметрами. Куда применить – пока неизвестно, вещь совсем не универсальная (кроме сердечника).
Несколько резисторов (номинал неизвестен, надо или прозвонить омметром, или расшифровывать цветные метки на них). Плюс.
Что же можно сделать из этой весьма небольшой кучки деталей? На самом деле - весьма много чего. Существует много схем полезных приборов «на одном транзисторе» в прямом смысле этого слова. От всевозможных сторожевых устройств, сигнализаторов, регуляторов температуры и таймеров и пр. и пр. и пр. А у нас - целых два транзистора!
В заключении преимущества и недостатки энергосберегающих ламп
Преимущества энергосберегающих ламп
Экономия электроэнергии. Коэффициент полезного действия у энергосберегающей лампы очень высокий и световая отдача примерно в 5 раз больше чем у традиционной лампочки накаливания. Например, энергосберегающая лампочка мощностью 20 Вт создает световой поток равный световому потоку обычной лампы накаливания 100 Вт. Благодаря такому соотношению энергосберегающие лампы позволяют экономить экономию на 80% при этом без потерь освещенности комнаты привычного для вас. Причем, в процессе долгой эксплуатации от обычной лампочки накаливания световой поток со временем уменьшается из-за выгорания вольфрамовой нити накаливания, и она хуже освещает комнату, а у энергосберегающих ламп такого недостатка нет.
Долгий срок службы. По сравнению с традиционными лампами накаливания, энергосберегающие лампы служат в несколько раз дольше. Обычные лампочки накаливания выходят из строя по причине перегорания вольфрамовой нити. Энергосберегающие лампы, имея другую конструкцию и принципиально иной принцип работы, служат гораздо дольше ламп накаливания в среднем 5-15 раз. Это примерно от 5 до 12 тысяч часов работы лампы (обычно ресурс работы лампы определяется производителем и указывается на упаковке). Благодаря тому, что энергосберегающие лампы служат долго и не требуют частой замены, их очень удобно применять в тех местах, где затруднен процесс замены лампочек, например в помещениях с высокими потолками или в люстрах со сложными конструкциями, где для замены лампочки приходится разбирать корпус самой люстры.
Низкая теплоотдача. Благодаря высокому коэффициенту полезного действия у энергосберегающих ламп, вся затраченная электроэнергия преобразуется в световой поток, при этом энергосберегающие лампы выделяют очень мало тепла. В некоторых люстрах и светильниках опасно использовать обычные лампочки накаливания, из-за того что они выделяя большое количества тепла могут расплавить пластмассовую часть патрона, прилегающие провода или сам корпус, что в свою очередь может привести к пожару. Поэтому энергосберегающие лампы просто необходимо использовать в светильниках, люстрах и бра с ограничением уровня температуры.
Большая светоотдача. В обычной лампе накаливания свет идет только от вольфрамовой спирали. Энергосберегающая лампа светится по всей своей площади. Благодаря чему свет от энергосберегающей лампы получается мягкий и равномерный, более приятен для глаз и лучше распространяется по помещению.
Выбор желаемого цвета. Благодаря различным оттенкам люминофора покрывающего корпус лампочки, энергосберегающие лампы имеют различные цвета светового потока, это может быть мягкий белый свет, холодный белый, дневной свет, и т.д.;
Недостатки энергосберегающих ламп
Единственным и значительным недостатком энергосберегающих ламп
по сравнению с традиционными лампами накаливания является их высокая цена. Цена энергосберегающей лампочки в 10-20 раз больше обычной лампочки накаливания. Но энергосберегающая лампочка неспроста называется энергосберегающей. Учитывая экономию на электроэнергии при использовании этих ламп и с их срок службы, в итого, применение энергосберегающих ламп станет для вас и вашего бюджета более выгодным.
Есть еще одна особенность применения энергосберегающих ламп , которую нужно отнести к их недостатку. Энергосберегающая лампа наполнена внутри парами ртути. Ртуть считается опасным ядом. Поэтому очень опасно разбивать такие лампы в квартире и помещении. Следует быть очень осторожными при обращении с ними. По той же причине энергосберегающие лампы можно отнести к экологически вредным, и поэтому они требуют специальной утилизации, а выбрасывать такие лампы, по сути, запрещено. Но почему-то при продаже энергосберегающих ламп в магазине, продавцы не объясняют, куда их потом девать.
Поэтому, используя неисправные лампы повторно , мы еще и окружающую среду сохраняем от вредного воздействия.
Техническая информация
: → Из сгоревшей энергосберегающей лампы изготовить блок питания
В этой публикации размещен материал для ремонта или изготовления импульсных блоков питания разной мощности на базе электронного балласта компактной люминесцентной лампы.
Импульсный блок питания на 5… 20 Ватт вы сможете изготовить за короткое. На изготовление 100-ваттного блока питания может понадобится до нескольких часов.
Построить блок питания будет несложно, умеющим паять. И несомненно, это сделать несложно, чем найти низкочастотный подходящий для изготовления трансформатор нужной мощности и перемотать его вторичные обмотки под нужное напряжение.

В последнее время получили широкое распространение Компактные Люминесцентные Лампы (КЛЛ). Для уменьшения размеров балластного дросселя в них используется схема высокочастотного преобразователя напряжения, которая позволяет значительно снизить размер дросселя.
В случае выхода из строя электронного балласта, его можно легко отремонтировать. Но, когда выходит из строя сама колба, то лампочку приходится выбрасывать.

Однако электронный балласт такой лампочки, это практически готовый импульсный Блок Питания (БП). Единственное, чем схема электронного балласта отличается от настоящего импульсного БП, это отсутствием разделительного трансформатора и выпрямителя, если он необходим.

В последнее же время, радиолюбители порой испытывают трудности при поиске силовых трансформаторов для питания своих самодельных конструкций. Если даже трансформатор найден, то его перемотка требует использования необходимый по диаметру медные провода, да и массо - габаритные параметры изделий, собранных на основе силовых трансформаторов не особо радует. А ведь в подавляющем большинстве случаев силовой трансформатор можно заменить импульсным блоком питания. Если же для этих целей использовать балласт от неисправных КЛЛ, то экономия составит определенную сумму, особенно, если речь идёт о трансформаторах на 100 Ватт и больше.
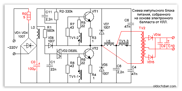
Отличие схемы КЛЛ от импульсного БП.
Это одна из самых распространённых электрических схем энергосберегающих ламп. Для преобразования схемы КЛЛ в импульсный блок питания необходимо установить всего одну перемычку между точками А – А’ и добавить импульсный трансформатор с выпрямителем. Красным цветом отмечены элементы, которые можно будет удалить.

А это уже законченная схема импульсного блока питания, собранная на основе КЛЛ с использованием дополнительного импульсного трансформатора.
Для упрощения, удалена люминесцентная лампа и несколько деталей, которые были заменены перемычкой.
Как видите, схема КЛЛ не требует больших изменений. Красным цветом отмечены дополнительные элементы, привнесённые в схему.

Какой мощности блок питания можно изготовить из КЛЛ?
Мощность блока питания ограничивается габаритной мощностью импульсного трансформатора, максимально допустимым током ключевых транзисторов и величиной радиатора охлаждения, при его использовании.
Блок питания небольшой мощности можно построить, намотав вторичную обмотку прямо на каркас уже имеющегося дросселя из состава блока лампы.

В случае если окно дросселя не позволяет намотать вторичную обмотку или если требуется построить блок питания мощностью, значительно превышающей мощность КЛЛ, то понадобится дополнительный импульсный трансформатор.
Если требуется получить блок питания мощностью свыше 100 Ватт, а используется балласт от лампы на 20-30 Ватт, то, скорее всего, придётся внести небольшие изменения и в схему электронного балласта.
В частности, может понадобиться установить более мощные диоды VD1-VD4 во входной мостовой выпрямитель и перемотать входной дроссель L0 более толстым проводом. Если коэффициент усиления транзисторов по току окажется недостаточным, то придётся увеличить базовый ток транзисторов, уменьшив номиналы резисторов R5, R6. Кроме этого придётся увеличить мощность резисторов в базовых и эмиттерных цепях.
Если частота генерации окажется не очень высокой, то возможно придётся увеличить емкость разделительных конденсаторов C4, C6.
Импульсный трансформатор для блока питания.

Особенностью полумостовых импульсных блоков питания с самовозбуждением является способность адаптироваться к параметрам используемого трансформатора. А тот факт, что цепь обратной связи не будет проходить через наш самодельный трансформатор и вовсе упрощает задачу расчёта трансформатора и наладки блока. Блоки питания, собранные по этим схемам прощают ошибки в расчётах до 150% и выше.
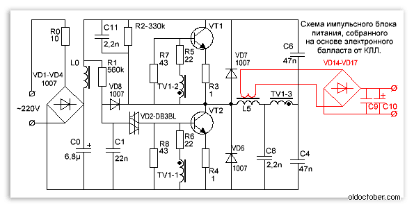
Для увеличения мощности блока питания пришлось намотать импульсный трансформатор TV2. Кроме этого, я увеличил ёмкость конденсатора фильтра сетевого напряжения C0 до 100µF.

Так как КПД блока питания вовсе не равен 100%, пришлось прикрутить к транзисторам какие-то радиаторы.
Ведь если КПД блока будет даже 90%, рассеять 10 Ватт мощности всё равно придётся.

Мне не повезло, в моём электроном балласте были установлены транзисторы 13003 поз.1 такой конструкции, которая, видимо, рассчитана на крепление к радиатору при помощи фасонных пружин. Эти транзисторы не нуждаются в прокладках, так как не снабжены металлической площадкой, но и тепло отдают намного хуже. Я их заменил транзисторами 13007 поз.2 с отверстиями, чтобы их можно было прикрутить к радиаторам обычными винтами. Кроме того, 13007 имеют в несколько раз бо’льшие предельно-допустимые токи.
Если пожелаете, можете смело прикручивать оба транзистора на один радиатор. Я проверил, это работает.

Только, корпуса обоих транзисторов должны быть изолированы от корпуса радиатора, даже если радиатор находится внутри корпуса электронного устройства.
Крепление удобно осуществлять винтами М2,5, на которые нужно предварительно надеть изоляционные шайбы и отрезки изоляционной трубки (кембрика). Допускается использование теплопроводной пасты КПТ-8, так как она не проводит ток.

Внимание! Транзисторы находятся под напряжением сети, поэтому изоляционные прокладки должны обеспечивать условия электробезопасности!

На чертеже изображено соединение транзистора с радиатором охлаждения в разрезе.

А это действующий стоваттный импульсный блок питания.
Резисторы эквивалента нагрузки помещены в воду, так как их мощность недостаточна.
Мощность, выделяемая на нагрузке – 100 Ватт.
Частота автоколебаний при максимальной нагрузке – 90 кГц.
Частота автоколебаний без нагрузки – 28,5 кГц.
Температура транзисторов – 75ºC.
Площадь радиаторов каждого транзистора – 27см².
Температура дросселя TV1 – 45ºC.
TV2 – 2000НМ (Ø28 х Ø16 х 9мм)
Выпрямитель.
Все вторичные выпрямители полумостового импульсного блока питания должны быть обязательно двухполупериодным. Если не соблюсти это условие, то магинтопровод может войти в насыщение.

Существуют две широко распространённые схемы двухполупериодных выпрямителей.
1. Мостовая схема.
2. Схема с нулевой точкой.
Мостовая схема позволяет сэкономить метр провода, но рассеивает в два раза больше энергии на диодах.
Схема с нулевой точкой более экономична, но требует наличия двух совершенно симметричных вторичных обмоток. Асимметрия по количеству витков или расположению может привести к насыщению магнитопровода.
Однако именно схемы с нулевой точкой используются, когда требуется получить большие токи при малом выходном напряжении. Тогда, для дополнительной минимизации потерь, вместо обычных кремниевых диодов, используют диоды Шоттки, на которых падение напряжения в два-три раза меньше.
Пример.
Выпрямители компьютерных блоков питания выполнены по схеме с нулевой точкой. При отдаваемой в нагрузку мощности 100 Ватт и напряжении 5 Вольт даже на диодах Шоттки может рассеяться 8 Ват.
100 / 5 * 0,4 = 8
(Ватт)
Если же применить мостовой выпрямитель, да ещё и обычные диоды, то рассеиваемая на диодах мощность может достигнуть 32 Ватт или даже больше.
100 / 5 * 0,8 * 2 = 32
(Ватт).
Обратите внимание на это, когда будете проектировать блок питания, чтобы потом не искать, куда исчезла половина мощности.

В низковольтных выпрямителях лучше использовать именно схему с нулевой точкой. Тем более что при ручной намотке можно просто намотать обмотку в два провода. Кроме этого, мощные импульсные диоды недёшевы.
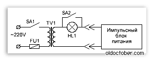
Как правильно подключить импульсный блок питания к сети?

Для наладки импульсных блоков питания обычно используют вот такую схему включения. Здесь лампа накаливания используется в качестве балласта с нелинейной характеристикой и защищает ИБП от выхода из строя при нештатных ситуациях. Мощность лампы обычно выбирают близкой к мощности испытываемого импульсного БП.
При работе импульсного БП на холостом ходу или при небольшой нагрузке, сопротивление нити какала лампы невелико и оно не влияет на работу блока. Когда же, по каким-либо причинам, ток ключевых транзисторов возрастает, спираль лампы накаливается и её сопротивление увеличивается, что приводит к ограничению тока до безопасной величины.

На этом чертеже изображена схема стенда для тестирования и наладки импульсных БП, отвечающая нормам электробезопасности. Отличие этой схемы от предыдущей в том, что она снабжена разделительным трансформатором, который обеспечивает гальваническую развязку исследуемого ИБП от осветительной сети. Выключатель SA2 позволяет блокировать лампу, когда блок питания отдаёт большую мощность.

А это уже изображение реального стенда для ремонта и наладки импульсных БП, который я изготовил много лет назад по схеме, расположенной выше.
Важной операцией при тестировании БП является испытание на эквиваленте нагрузки. В качестве нагрузки удобно использовать мощные резисторы типа ПЭВ, ППБ, ПСБ и т.д. Эти «стекло-керамические» резисторы легко найти на радиорынке по зелёной раскраске. Красные цифры – рассеиваемая мощность.

Из опыта известно, что мощности эквивалента нагрузки почему-то всегда не хватает. Перечисленные же выше резисторы могут ограниченное время рассеивать мощность в два-три раза превышающую номинальную. Когда БП включается на длительное время для проверки теплового режима, а мощность эквивалента нагрузки недостаточна, то резисторы можно просто опустить в воду.

Будьте осторожны, берегитесь ожога!
Нагрузочные резисторы этого типа могут нагреться до температуры в несколько сотен градусов без каких-либо внешних проявлений!
То есть, ни дыма, ни изменения окраски Вы не заметите и можете попытаться тронуть резистор пальцами.
Как наладить импульсный блок питания?
Собственно, блок питания, собранный на основе исправного электронного балласта, особой наладки не требует.
Его нужно подключить к эквиваленту нагрузки и убедиться, что БП способен отдать расчетную мощность.
Во время прогона под максимальной нагрузкой, нужно проследить за динамикой роста температуры транзисторов и трансформатора. Если слишком сильно греется трансформатор, то нужно, либо увеличить сечение провода, либо увеличить габаритную мощность магнитопровода, либо и то и другое.
Если сильно греются транзисторы, то нужно установить их на радиаторы.
Если в качестве импульсного трансформатора используется домотанный дроссель от КЛЛ, а его температура превышает 60… 65ºС, то нужно уменьшить мощность нагрузки.
Не рекомендуется доводить температуру трансформатора выше 60… 65ºС, а транзисторов выше 80… 85ºС.
Каково назначение элементов схемы импульсного блока питания?
R0 – ограничивает пиковый ток, протекающий через диоды выпрямителя, в момент включения. В КЛЛ также часто выполняет функцию предохранителя.
VD1… VD4 – мостовой выпрямитель.
L0, C0 – фильтр питания.
R1, C1, VD2, VD8 – цепь запуска преобразователя.
Работает узел запуска следующим образом. Конденсатор C1 заряжается от источника через резистор R1. Когда напряжения на конденсаторе C1 достигает напряжения пробоя динистора VD2, динистор отпирается сам и отпирает транзистор VT2, вызывая автоколебания. После возникновения генерации, прямоугольные импульсы прикладываются к катоду диода VD8 и отрицательный потенциал надёжно запирает динистор VD2.
R2, C11, C8 – облегчают запуск преобразователя.
R7, R8 – улучшают запирание транзисторов.
R5, R6 – ограничивают ток баз транзисторов.
R3, R4 – предотвращают насыщение транзисторов и исполняют роль предохранителей при пробое транзисторов.
VD7, VD6 – защищают транзисторы от обратного напряжения.
TV1 – трансформатор обратной связи.
L5 – балластный дроссель.
C4, C6 – разделительные конденсаторы, на которых напряжение питания делится пополам.
TV2 – импульсный трансформатор.
VD14, VD15 – импульсные диоды.
C9, C10 – конденсаторы фильтра.
Спасибо, сам не профессионал в электрике, но было интересно. В моём варианте, к сожалению, кончилась колба =(Wolta 75w спираль
Владимир.
Эти лампы востребованы до тех пор, пока светодиодные все еще дороги.
Их ремонт - это больше ради любопытства, чем выгоды. Если получилось еще и сэкономить, не выбрасывая и не покупая новую, то это просто еще один дополнительный плюс.
Тем более если сложить, стоимость всех деталей (если покупать их отдельно в магазине), то получился цена в несколько раз большая чем стоимость новой лампы . Т.е. не всякий ремонт таких финансово выгоден.
Про ремонт верно сказано, оно того не стоит. Но плата с цоколем припасена в надежном месте и ждет своего часа. А вот диоды не полюбил. Нет, дело не в цене. Примерно 3-4 месяца назад купил несколько штук - китайца Ecomir и пару Philips. По субъективному мнению, после коротания вечеров под этими аналогами "лампочки Ильича", я стал ощутимо сильнее уставать. Как-то вечером уронил коробку спичек и увидел, что подлет к полу сопровождается стробоскопическим эффектом. Решил, что это не к добру и ввинтил обратно люминесцентные.
Светодиодные лампы очень разные (кстати как и газовые).
Мерцание тоже разное у разных моделей . К сожалению этот параметр продавец не указывает, поэтому надо изучать независимые тесты или делать свои.
Если уже купили (а хорошая светодиодная лампа вообщем-то недешевая), то тут как раз имеет смысл пытаться ее модернизировать. Но это уже другая история...
по поводу сетодиодных ламп нашел свое ноу-хау как выбрать в магазине нормальную лампу без мерцания. Кстати мерцание-пульсация свидетельствует о том что лампе применена простейшая схема питания светодиодов-через диодный мост и конденсатор,т.е. без каких быто нибыло электронных драйверов. так вот.определиться с лампой в магазине очень просто.сейчас практически в каждом мобильном телефоне за исключением самых простейших звонилок есто фотоаппарат.включаем телефон в режим фото и подносим максимально близко к включенной лампочке и видим на экране весь этот ужас-бегущие по изображению черные полосы,соеобразную тельняшку.такую лампу не брать! Кстати и среди неизвестных китайских брендов встречаются приличные лампы без пульсации,а максусы-сколько типов видел,все откровенное барахло.
Хороший способ. :)
Хотя в таком тестировании на результат наверное будет влиять частота кадров в камере, но для грубой оценки нормально.
Если сгорела нить накала, то виной этому пробитый конденсатор (1. Выход из строя силового конденсатора (емкость обычно 47 nF). Через него подключен один из выводов лампы). Если его заменить и поставить на выводы параллельно сгоревшей нити накала сопротивление в 10 Ом, то лампа ещё очень долго прослужит (выводы нити накала от платы не отсоединять). Если конденсатор не заменить, то лампа прослужит минут 5-10. (потом громкий взрыв конденсатора и транзистора).
Спасибо за полезную информацию , я с таким пока не сталкивался.
На нескольких лампах выходил из строя трансформатор. Из-за перегрева приходила в негодность изоляция и шило через феррит. Лечится перемоткой близким по сечению проводом с нормальной изоляцией.
PS. Лампы были DeLux.
Юрий. Интересно, это уже совсем экзотика. Никогда даже не слышал о такой проблеме в этих лампах.
Если попадутся ещё сделаю фото или даже видео пробоя. С уважением.
познакомился с женщиной-бабушкойс, она на рынке продаёт лампочки, покупатели регулярно в качестве примера приносят сгоревшие и оставляют у продавщицы,она потом их выбрасывает, я спросил есть возможность покупать у неё такие испорченные энергосберегайки по 5 рублей, но она сказала - ерунда, они мне ненужны я их выбрасываю и достаются безплатно, поэтому буду отдавать тебе их тоже даром, за год у меня насобиралось разных мощностей и фирм таких лампочек три полных кулька,несколько отремонтировал,до других пока руки недоходят, .. думаю если придумать электронное устройство небольшое высоковольтное типа катушки тесла(так чтоб поле распространялось в пределах этой колбы) в поле которого светится газ в колбах энергосберегаек можно без посредства нитей накала в колбах, организовать освещение!получается колба вечная, осталось только выносливую организовать электронику, подбирая хороший запас прочности радиодеталей по номиналу....
светодиодные лампочки мне тоже по душе, но они пока дороговаты...
александр
Интересная мысль. Только надо разобраться что там с газом происходит внутри колб.
ДЛЯ НАЧАЛА, ОБЩЕЕ У ТЕСЛА ТРАНСФОРМАТОРА И ЭЛЕКТРОНИКОЙ ЭНЕРГОСБЕРЕГАЕК И ПУСКОРЕГУЛИРУЮЩЕЕ УСТРОЙСТВО ЛАМП ДНЕВНОГО СВЕТА СОВЕТСКИХ ВРЕМЁН - У НИХ У ВСЕХ ЗА СЧЁТ ВЫСОКОГО НАПРЯЖЕНИЯ ПРОИСХОДИТ СВЕЧЕНИЕ ЛЮМИНОФОРОФ, ГАЗА В КОЛБАХ, ДУМАЮ МОЖНО СДЕЛАТЬ ВНЕШНИЕ ЭЛЕКТРОДЫ РАСПОЛОГАЯ РЯДОМ С КОЛБОЙ И НАПРАВИВ В НИХ ТОК ВЫСОКОГО НАПРЯЖЕНИЯ И УМЕРЕННОВЫСОКОЙ ЧАСТОТЫ... А ДАЛЬШЕ НУЖНО РАЗМЫШЛЯТЬ И ЭКСПЕРИМЕНТИРОВАТЬ)))
"энергосберегающая лампа Е-27 ,нити накала исправны При включении лампы она горит в половина накала. В чем причина что нужно заменить в схеме?
Я бы первым делом проверил термистор. Попробуйте как будет работать если его просто выпаять.
Есть ли возможность платкой от 20w лампочки запустить советскую 80w (увеличив мощность транзисторов и подобрав другие элементы) бо родные дроселя и стартеры губят лампу быстрее.
К сожалению не сталкивался с советскими, поэтому ответить на этот вопрос не смогу.
Уважаемый, Dummy Luck! Почему перестали снимать видео? Ваши видео одни из самых интересных и познавательных, потому что беретесь за все по уму, а не просто по наработанной схеме. Медленно, верно и четко, поясняя каждый шаг, по мне - это самый правильный подход.
Про лампочки могу сказать так, лично у меня, сгорают нити накала, пока ни одной электроники не сгорело (только то, что я сам спалил в экспериментальных целях). Выходит из строя одна нить.
Отвечая BobrOff, могу сказать, что резистор подобрать под сгоревшую нить накала очень сложно, ведь под нагревом нить имеет совсем другое сопротивление. И не от конденсатора нить накала перегорает, ведь если меняешь на другую колбу - лампа служит еще очень долго. Перегорает, скорее всего от качества и плюс, практически, перестали ставить термисторы.
Сам столкнулся с этой проблемой, перепаял всю плату - вся проблема оказалась в кондере между нитью накала.
Спасибо. Сейчас загвоздка со временем, но думаю скоро продолжу.
Всем привет, я тоже насмотревшись советов решил вернуть к жизни сгоревшую КЛЛ путём впаивания резистора паралельно сгоревшей нити... Больше недели ни одна лампа не прожила. Этого времени в принципе достаточно для похода в магазин за новой лампой. Но почитав не мало форумов увидел в виде шунтирования сразу обоих нитей обыкновенным проводом. Попробовал и на удивление лампа у меня в корридоре светит уже около трёх месяцев . Этот метод подходит в том случае если нить оборвана только с одной стороны, а если нить оборвана полностью и торчат только два уса в колбе, то после такого или подобного ремонта лампа проработает от силы 3 - 5 дней, пока не выгорят электроды... Если на новой лампе зашунтировать нити перемычкой, то такая лампа прослужит гораздо дольше чем в обычном исполнении. Обращаю внимание, что лампа после этого НЕ СТАНЕТ ВЕЧНОЙ!!! Как многие обещают.
Принцип розжига клл лампы примерно такой:
После включения сопротивление не зажжёной лампы велико и последовательно с дросселем через нити накала лампы оказывается включен высоковольтный конденсатор. В результате резонанса резко повышается напряжение на выходе преобразователя, лампа зажигается и её сопротивление резко уменьшается тем самым шунтирую высоковольтный конденсатор. Резонанс пропадает, напряжение падает вольт до 350 чего вполне хватает для устойчивого горения лампы. Приметно так, более подробно можно почитать в той же википедии....
Так вот, когда мы ставим две перемычки то подключаем этот конденсатор паралельно лампе и все процессы происходят аналогично штатному включению. При запуске ламы сопротивление не зажжённой лампы велико и конденсатор оказывается включен последовательно с дросселем. Возникает резонанс, повышается напряжение, зажигается лампа и уменьшается её сопротивление которое шунтирует конденсатор.... И т. д. ....
Я небольшое видео сделал, но поскольку штатива у меня нет и камеру держать не кому, то делал фото потом его монтировал в видеоредакторе, ну а работу лампы снимал сам и тоже добавил в обзор...
Я много услышал нареканий от диванных специалистов в области проектирования эпра о несовершенстве и нецелесообразности данной реанимации ламп клл...
Я ни на что не претендую и не обещаю что лампа станет ВЕЧНОЙ - этот вариант модернизации просто продляет на некоторое время(неделя - месяц-год-...) срок службы уже сгоревшей лампы, которая уже отработала своё и её нужно было утилизировать.
И не забывайте о мерах безопастности, можно попасть по воздействие электрического тока и получить электротравму!!!
Все работы по переделке лампы клл нужно делать с включённой в разрыв сетевого провода лампой накаливания мощностью 100 Вт. Это убережёт вас от громкого БАБАХА и выбитых пробок в случае ошибки...
Есть люминесцентная энергосберегающая лампа на 7Вт(почти такая же как на видео).
Она вроде бы работает, но некорректно. (некорректность работы проверена на 2 патронах, так что неисправность патрона можно исключить)
При работе она горит нормально 5 секунд, потом на 1 секунду яркость немного(на 20-30%) уменьшается, и так по кругу(т. е. 5-1-5-1-5-1-5-1).
При этом лампа ОЧЕНЬ сильно греется(через 10 минут работы сильный запах пластмассы).
До появления неисправности лампа работала нормально ~6500 часов(хорошо светила и почти не грелась)
Есть ли какие либо идеи, как это исправить?
Я бы для начала попробовал выпаять термистор и посмотрел бы как лампа будет себя вести.
"В перспективе имеет смысл рассмотреть возможность поджига лампу высоковольтным полем - вообще при сгоревших нитях"
Вы не забывайте ещё головой соображать о целесообразности всяких "колхозингов" - часто дешевле купить новую колбу, чем лепить из дорогих высоковольтных конденсаторов учетверитель напряжения для холодного запуска без нитей...
И тем более это касается идей ионизации газа в колбе внешним ЭМ-полем - вы этим похороните всю экономность "экономок" - КПД таких ламп низкий.
Энергосберегающая лампа мощностью 35Вт. Люминофор потемнел, сильно изношен. Нити накала лампы целы - возможно, благодаря стоящим параллельно диодам. Неисправность - пробой одного транзистора MJE13003, вероятно, из-за перегрева.
Транзисторы заменены на MJE13007 в корпусах TO220, имеющие большую мощность и лучшую теплоотдачу.

Последовательно с нитями накала установлен NTC-термистор на 30 Ом. Для чего это нужно, описано в отдельной статье по модернизации энергосберегающих лампочек.

В цоколе лампы просверлены вентиляционные отверстия для более мягкого температурного режима работы ЭПРА.

Ещё несколько фотографий:

Разобранная лампа.
В лампе установлены транзисторы в корпусах ТО92, что довольно необычно для мощности в 20Вт.

Вентиляционные отверстия в цоколе.
Для облегчения теплового режима работы ЭПРА просверливаются вентиляционные отверстия.

Переделанная лампа. Стрелкой показан установленный термистор.
Термистор устанавливается в разрыв цепи нитей накала лампы в удобное место , которое зависит от конструкции конкретной лампы. Сопротивление показанного на фотографии термистора составляет 30 Ом. При включении лампы термистор холодный и его сопротивление ограничивает ток, протекающий по данной цепи. Через несколько секунд термистор нагревается и его сопротивление уменьшается, не влияя более на ток в цепи. Таким образом обеспечивается более щадащий режим зажигания лампы.
Обратите внимание, что выводы нитей накала колбы могут быть ломкими. Отсоединяйте их от ЭПРА и зачищайте перед залуживанием осторожно.
Советы по модернизации от Виталия:
Мощность данной лампы составляет 26 Ватт. Хочу обратить ваше внимание на особенности этой схемы - это сопротивления 10 ОМ два и 2,2 Ом два, очень важны в данной схеме. Емкость 47 мкф 400 вольт - тоже очень важна! Самое главное - конденсаторы запуска - это 6800 нф 630 вольт два - подключить последовательно (ЗЕЛЕНОГО ЦВЕТА). Все схемы баластов впринципе одинаковы, в любых схемах найдите две пары одинаковых резисторов, я на схеме указал 10 и 2,2 Ом - меняете на эти номиналы, лампы подвергаются такой модернизации - 13-32 Ватт 220 вольт. Не забывайте ставить диоды к транзисторам к Э и К наоборот к току, как в строчной развертки любого ТВ. Температура внутри схемы у меня достигала до 80 градусов Цельсия, лампа у меня работает около 4-х лет. Это не шутка! Я недавно смотрел свою схему - одно скажу - из-за температуры все детали черного цвета и работает 4 года. Пример погрешности - из 100 штук 10 ламп негодных, причина - разгерметизация колбы (стекло), попадание воздуха. Попробуйте, поэксперементируйте - результат хороший.
UP
15.10.2012
Ещё одна сломавшаяся лампа (23Вт), причём ранее модернизированная. Нити накала целы, значит NTC термистор защищал их на протяжение всего времени работы лампы. Сгорел один диод выпрямителя и один транзистор в обрыве. Несколько дорожек выгорело.

Дорожки заменены проводками, диод заменён на новый (1N4007).

Транзисторы HLB123T заменены на HLB124E. На фото выше в лампе уже установлены новые транзисторы, старые лежат рядом.
Корпус транзистора и цоколёвка отличаются, это нужно учитывать при подобных заменах.
![]()
После ремонта лампа вновь заработала.
UP
4.2.2013
После ремонта лампа проработала 4 месяца и вновь сломалась с хлопком и дымом. Неисправность оказалась похожей - пробито несколько диодов выпрямителя, резистор на входе, сгорела дорожка и ещё один резистор в эмиттере транзистора. Похоже на повышенный ток при включении, что навело подозрения на электролитический конденсатор после выпрямителя, хотя по прибору он исправен. Транзисторы не пострадали, нити лампы целы, поэтому её решено было отремонтировать. Заменены диоды, резисторы, сгоревшая дорожка восстановлена. На всякий случай заменён электролитический конденсатор.

На фото рядом с лампой лежат заменённые детали. После ремонта лампа зажглась.

На следующем фото представлена лампа перед сборкой. Хорошо виден NTC-термистор на 33 Ома, призванный сберегать холодные нити от бросков тока при включении.

Хочешь почитать ещё про схемы своими руками? Вот что наиболее популярно на этой неделе:
Регулируемый блок питания из блока питания компьютера ATX
Блок питания для аккумуляторного шуруповёрта от сети 220 вольт
Схемы и печатные платы блоков питания на микросхемах UC3842 и UC3843
Леопольд одобряет.
Есть вопросы, комментарии? Напиши:
Отверстия сверлить не просто нужно, а необходимо, т.к. балласт нагревается от горячей колбы.
Уважаемые спецы! Недавно возник вопрос: в что это за зверь колечко с 3 обмотками и на что оно влияет? Сажете - примитив. Будите правы. Но вот если внимательно посмотреть схему компьютерного блока питания мы увидим схожесть в схемах оконечного каскада, только согласующий фазовращатель намотан на трансформаторе ш образном. Хм. У кого какие идеи? Ага, а что нам нужно? Нам нужно получить прямоугольные импульсы с высокой крутизной и площадку для остывания ключа, типа называется задержка. И что? Так вот это кольцо и предназначено для увеличения крутизны за счет импульса в магнитопроводе и задержку формирует при насыщении сердечника. Кто-то говорил про частоту... Таки частота генерации зависит и от этого транса тоже. Если все правильно - дырки сверлить не нужно - ключи будут холодными. Производитель не глупый сапожник! И еще: чем больше нагрузка - ток лампы тем выше частота колебаний. Это так попути. Не пытайтесь регулировать частоту конденсаторами, оно зависит от нагрузки, а нагрузка это дроссель и сама лампа, ну и конечно параметрами трансформатора. Когда поймете как работает это колечко с 3 обмотками - мир станет проще! Всем лихих доработок! И помните: производители не дурнее радиолюбителей, это аксиома.
А теперь ответь на пару вопросов:
1. Сколько пророботает переделанная лампа?
2. Выживет ли балласт после того, как испарятся электроды?
3. Хорошо ли работают 1N4007 на частоте балласта?
Внимание! Самый главный комментарий! Читать обязательно! Реанимируется любая лампа!
Доводим плату до рабочего состояния (можно усилить транзисторы и добавить самовосстанавливающийся предохранитель), добавляем на выходе диодный мост (из 1n40007 - пойдет) - зажигаются все лампы (даже с перегоревшыми спиралями). Контакты спиралей можно попарно скрутить.
В данном методе электронная эмиссия для розжига ламп не нужна: постоянка разгоняет ионы газа сама.
Только для некоторых схем требуется подборка баласта (ставится перед мостом).
Сегодня производители ламп с энергосберегающими параметрами совсем не оставляют выбора простым потребителям, которые выбирают между лампами накаливания и ЭСЛ. Выбор в пользу последних очевиден. Сейчас почти не осталось квартир или домов, где бы ни были установлены энергосберегающие лампы. И это не говоря об офисных или промышленных помещениях . ЭСЛ способны сэкономить до девяноста процентов электричества в год. Многих из нас интересует вопрос - можно ли выполнить ремонт энергосберегающих ламп своими руками.
Ремонт энергосберегающих ламп или как собрать одну лампу из двух
В большинстве случаев изготовители в сроках эксплуатации указывают 8000 часов непрерывной работы. Но практика показывает, что чаще всего лампочки не вырабатывают указанного срока. И это становится довольно неприятным сюрпризом, поскольку стоят они недёшево.
Но это не должно становится большим разочарованием, поскольку энергосберегающие лампочки, оказывается, довольно легко отремонтировать. Не нужно, ведь из нескольких неработающих можно сделать одну работающую.
Стоит ли начинать ремонт
Для начала нужно выяснить, стоит ли вообще затевать ремонт сгоревшей лампочки и будет ли он оправдан. Многие специалисты утверждают, что здесь всё зависит от того, сколько ламп вы хотите починить. Если речь идёт об одной лампочке, тогда лучше не браться вообще. Единственным исключением является ситуация, когда у вас есть несколько нерабочих лампочек, что и станут основой для одной работающей.
Такую лампочку, как и любую другую, также следует выделять по сроку работы. Если ваша лампа перестала светить после полутора года, причём срок её службы составляет 10000 часов, тогда, возможно, дешевле будет. Ведь вам предстоит потратиться на запчасти, проезд, а также потерять собственное время.
После длительного использования ЭСЛ теряют способность быстро включаться. Они срабатывают через пару секунд после включения. Также нужно учесть, что старые лампочки через время начинают производить больше тепла, чем света. Ещё одним существенным недостатком старых лампочек становится износ люминесцентной колбы, которая со временем тускнеет и лампа становится не такой яркой, какой была.
Если обобщить всё вышесказанное, к ремонту лампочек следует приступать только тогда, когда вы имеете на руках несколько неработающих. Практика подтверждает, что из двадцати можно сделать примерно 5 ламп. Если вы всё-таки решились, тогда спросите у своих друзей или родных - они наверняка помогут вам старыми лампочками.
Как собрать одну лампу из двух
Чтобы понять, что и как нужно чинить, для начала остановимся на том, из чего сделана. Любая газоразрядная люминесцентная лампа состоит из трёх частей:
- колбы;
- электронной платы (балласта);
- цоколя.
Если на колбе вашей неработающей лампы появились дефекты (в виде трещин, например), то ремонту она уже не поддаётся. В других случаях, обладая желанием и навыками, можно починить.
Чаще всего лампы перестают работать из-за того, что перегорают нити накаливания либо же в результате поломки электронной платы. Перед тем как починить, лампу необходимо разобрать и выявить причину поломки. Для этого нужно сделать некоторые действия.
Первым этапом нужно отключить цоколь от сгоревшей колбы. В качестве креплений устанавливаются такие же, как в корпусах мобильных телефонов или пультов дистанционного управления . Поэтому будьте предельно аккуратны. Лучшим инструментом здесь станет отвёртка с широким и тонким окончанием. Ваша главная задача - не поломать окончательно цоколь.
Соединительные провода обычно небольшой длины, поэтому не стоит отсоединять их чересчур резко. В большинстве случаев первой защёлкой становится та, что располагается под надписями с характеристиками лампочки. В это место необходимо вставить отвёртку и постепенно её проворачивать. После этого лампа должны разложиться на две части.

Вторым этапом станет процесс отключения проводов от нитей накаливания. В колбе находятся две пары проводников - они и есть нити накаливания. Если вы их не отключите, вы не сможете определить работоспособность. Для вас не должно составить особого труда их отсоединить, поскольку в большинстве случаев они не припаяны, а просто намотаны сверху.
Третьим этапом разборки и тестирования станет диагностика нитей накаливания. Для этого нужно прозвонить две нити. Это позволит понять, какая из них вышла из строя. В большинстве случаев лампа состоит из двух спиралей, которые обладают сопротивлением от 10 до 15 Ом. По результатам прозвона вы сможете найти причину поломки. Здесь два варианта:
- повреждён балласт;
- одна из нитей перегорела (лампа с повреждённой спиралью).

В зависимости от типа поломки вам предстоит совершить различные манипуляции. Рассмотрим оба эти варианта.
Ремонт компонентов системы
Восстановление лампы после выхода из строя электронного балласта подразумевает определение всех перегоревших элементов, а также тех, которые ещё пригодны. После разборки лампочки осмотрите плату на наличие внешних видимых дефектов со всех сторон. Также осмотрите каждый из её компонентов. Если при осмотре вы не обнаружили никаких видимых дефектов, тогда переходите к тестированию её главных модулей, а именно:
- ограничительный резистор;
- диодный мост;
- конденсатор фильтра;
- высоковольтный конденсатор.
Предохранитель устанавливается в лампочку с помощью припайки к контакту на цоколе. Он крепится уже в термоусаживающем материале. Чаще всего он страдает после короткого замыкания, после чего разрывается вся цепь. При прозвоне предохранителя нормальным считается сопротивление в 10 Ом, ненормальным - бесконечность. Учтите, что при обрезании проводов после перегорания предохранителя делайте это как можно ближе к нему. Так вы обеспечите себе запас провода, чтобы припаивать новый резистор.
Основной функцией диодного моста является выпрямление напряжения 220 В. В его основе лежат четыре диода. Вы сможете прозвонить их на месте, для этого не требуется их выпаивать.
Конденсатор фильтра в первую очередь ломается в лампах, которые произведены в Китае. Он служит для выпрямления напряжения. Перегорание этого элемента вначале сопровождается нестабильной работой энергосберегающей лампочки - она издаёт посторонние звуки, не сразу включается, и так далее. После выхода из строя вы можете заметить внешние дефекты: вздутие, затемнение, потёки и так далее.
Высоковольтный конденсатор предназначен для создания импульса, который, в свою очередь, и создаёт разряд в самой колбе. Выход из строя именно этого элемента и становится причиной большинства поломок энергосберегающих ламп. Вы сможете определить неисправность и без прозвона. Лампа не будет загораться, а нити накаливания будут создавать свечение возле электродов.
Когда вы проверите основные модули платы, переходите к дополнительным: транзисторам, резисторам и диодам. Следует отметить, что при припаянных транзисторах вы получите неправильные показания мультиметра, поэтому их необходимо предварительно выпаять. Также учтите, что одна обнаруженная поломка не исключает возможность возникновения другой, так что вам придётся проверять все элементы.
Но существует метод, который позволит вам избежать выпаивания транзисторов. Вам нужно просто измерять сопротивление элементов на рабочей плате и сравнить их с показателями нерабочей.
Ремонт спирали
Нередко лампочки перестают работать по другим причинам - выход из строя нитей накаливания или схемы. Подсказкой здесь вам станет потемнение в месте сгоревшей спирали. Для проверки померяйте их сопротивление. При перегорании одной из нитей правильным решением будет избавиться от колбы. Причём плату в дальнейшем можно использовать для ремонта других ЭСЛ. Но экономные пользователи смогли и здесь найти выход из положения. Необходимо просто закоротить выводы перегоревшей спирали.

Не стоит рассчитывать на то, что так вы сможете снова наслаждаться тысячами часов работы исправленной лампы. На одной исправной спирали лампа много не проживёт. Вот что необходимо сделать.
В первую очередь отсоедините спирали и определите работоспособность каждой из них (как это выполнить - читайте выше). Используя мультиметр, вы сможете найти нерабочую нить (также на ней будут видны следы перегорания). Если вторая нить рабочая, вам придётся просто зашунтировать нерабочую резистором такого же номинала, как и у рабочей. Этот шаг является обязательным, поскольку цепь без шунтирования не будет работать.
Вот и всё. Как видите, ремонт энергосберегающих ламп в домашних условиях непрост, но возможен. Если же вы сами сталкивались с восстановлением таких лампочек, поделитесь своими комментариями под этой статьёй.
Экономные осветительные приборы известны благодаря своей долговечности, но из-за неправильного обращения их срок службы может значительно уменьшиться. Предлагаем рассмотреть, как осуществляется ремонт энергосберегающей лампы своими руками, и как починить светильник со сгоревшей спиралью.
Виды неисправностей
Перед тем, как начинать починку лампочки, нужно определиться с родом поломки. Существует несколько типов неисправностей:
- Заводские;
- Эксплуатационные.
Первые – это поломки, которые возникают из-за недобросовестности производителей. К ним можно отнести расхождение контактов, неправильная форма цоколя, и т.д. При этом эксплуатационные неисправности – те, что возникают в связи с использованием источника света. Это обычное перегорание спирали, нарушение целостности колбы, разрыв проводов и т.д.
Как починить лампу
Чтобы починить энергосберегающую лампу, Вам нужно выяснить род поломки. Далее изучить конструкцию светильника. Энергосберегающая лампа состоит из специальной колбы и схемы, которая отвечает за появление света, или проводов питания. Разобрать светильник можно в домашних условиях, если у Вас есть тонкий нож или отвертка. Разъединив составляющие, Вы сможете более подробно изучить конструкцию.

Разбираем лампу с помощью ножа
Обратите внимание, что не все энергосберегающие лампы можно ремонтировать самостоятельно или вообще разбирать. Скажем, люминесцентные содержат в колбе вредные газы и соединения, которые могут стать причиной отравления. Довольно опасны ртутные светильники. Если у Вас сломалась лампа такого типа, то ни в коем случае не начинайте ремонт или утилизацию без специалистов.
Видео: Как починить энергосберегающую лампочку своими руками
И еще одно интересное видео:
Для начала рассмотрим, что сделать, если электрическая лампа сгорела. Светильник сгорает из-за двух причин:
- Перегорела спираль накала;
- Вылетела балластная схема.
Определить их можно только при разборе электронного устройства . Вам нужно взять в руки энергосберегающую лампу, на нижней части колбы Вы увидите небольшую впадину. На фото это место показано стрелками. Аккуратно, чтобы не повредить корпус, вставляете туда тонкий но или отвертку, и слегка приподнимаете корпус. Очень важно, чтобы колба не лопнула, иначе в ремонте не будет смысла.
Перед Вами разобранная лампа, у которой провода соединены методом простой перемотки, без пайки и прочих термических способов крепления. Внутри прибора Вы можете увидеть округлую плату, которая из-за перегрузок немного потемнела. По её краям расположены несколько штыков, квадратной формы , они выполняют роль своеобразных клемм. К этим клеммам присоединяются провода питания, по которым подается электрический ток . Провода к штыкам примотаны, при повторном соединении ни в коем случае не паяйте их даже точечным методом.

После того, как Вы раскрутили провода, нужно проверить каждую спираль при помощи мультиметра. Таким образом, выясняется, какая из них сгорела. После прозвона и выяснения рода поломки, сгоревшая спираль заменяется новой.

Если Вы хотите проверить исправность электронного балласта, то нужно обязательно изучить его конструкцию. Принципиальная схема этой детали лампы очень похода на стандартный . Основными элементами являются конденсатор, резистор и динистор. Для защиты схемы от сгорания необходимы выпрямляющие диоды, а также резисторы. Когда лампа включается в цепь, резистор заряжает конденсатор. Когда деталь нормально заряжены, динистор включается и формирует импульс, который в вою очередь подключает транзистор. После этого цикла, конденсатор снова разряжается, а выпрямительный диод начинает шунтировать сеть. Далее транзисторы запускают генератор лампы и трансформатор.

С6 – это силовой конденсатор, который через себя пропускает электрический ток на проволоку накаливания. При этом ток также проходит фильтрацию на конденсаторе и проверку на индуктивность. Мощность, с которой горит лампа, определяется при помощи резонансного конденсатора. Частота контура при работе этой детали несколько снижается, т.к. у силового конденсатора значительно больше емкость. Во время работы деталей, транзистор находится в открытом состоянии, а сердечник трансформатора насыщается. Когда он полностью заряжен, происходит обратный процесс, и так бесконечное количество циклов.
После этого контакты стартера нагреваются из-за того, что на них поступает определенный разряд газа. Контакты замыкаются, и электричество поступает на накаливающиеся проволоки. У энергосберегающих ламп они могут нагреваться до 700 и выше градусов по Цельсию. Когда контакты стартера остывают, дроссель передает сверхсильный сигнал напряжения на электроды. После чего зажигается газ, который находится внутри осветительного прибора.
Эта принципиальная схема работы блока балласта используется в таких моделях, как «Навигатор» («Navigator»), «Максус» («Maxus» серии ESL), «Космос», «Спутник», «Светозар» и прочие.
В люминесцентной лампе электронный балласт выглядит следующим образом:
![]()
Ремонт этой детали в большинстве случаев необходим, если какая-то из частей схемы не выдержала напряжения или скачка, и перегорела. На место перегоревшей детали нужно установить новую, но это не всегда целесообразно. Часто неисправности довольно серьезные, и понадобится замена всего блока, значительно проще купить новую энергосберегающую лампу в замен сгоревшей, нежели производить ремонт старой своими руками.
В импортных лампах типа «Comtech», «Galeon», «Lezard», «Philips», «Camelion» и прочих, часто выгорают высоковольтные транзисторы. Эти устройства необходимы для нормального питания нити, и сгорая, они могут повредить всю плату. Для их замены ознакомьтесь с таблицей:
Если энергосберегающая лампа мигает, то, скорее всего это сбой во время включения контактов. Данную поломку можно отнести к заводским, если устройство начало давать сбой сразу после покупки. Для устранения неисправности нужно снова аккуратно разобрать осветительный прибор . Рассмотрим пример починки на лампе с цоколем Е27.

В этих точках часто возникает коррозионные процессы, чтобы произвести ремонт энергосберегающей лампы с таким цоколем своими руками, почистите его от ржавчины. Делать это нужно осторожно, при помощи абразивной бумаги. В этих же местах проверяем плотность соединения контактов, немного подкрутите их и проверьте устройство при помощи мультиметра. Сопротивление должно находиться в пределах десяти ОМ, при неисправности будет происходить обрыв.
Если починить самостоятельно плату не выходит, то попробуйте использовать дроссельную схему включения. При этом нити буду расположены параллельно друг к другу. Если тумблер замыкает, напряжение начинает поступать на контактную проволоку ламп, а после этого на стартер, пропускаясь через дроссель. Ниже показана схема такого соединения. Её можно реализовать в лампах «Эра» («Era»), «SPIRAL-econom», «Vito», «Nakai».
Хотя если верить производителю, то срок службы у энергосберегающих ламп просто огромен. Купил себе лампу, отдал деньги и радуйся. Она тебе и светит и электроэнергию экономит!
А так как энергосберегающие лампы стоят не дешево, и один раз в месяц покупать лампу за 5 – 8 зеленых, мне показалось расточительно. Какая тут может быть экономия? Даже получается дороже.
Как обычно полез в интернет, а там оказывается, что «наши» люди такие лампы уже ремонтируют давно. Причем успешно. Вот и сам решил попробовать.
Разбираем энергосберегающую лампу
У лампы, которую начал разбирать, надломил нижнюю часть патрона, поэтому будьте осторожны, если будете половинить любую энергосберегающую лампу. Но это не беда – устранимо.

Когда лампа уже будет отремонтированна и собрана, прикладываем оторванную часть на место, и паяльником пропаиваем трещены. Можно приклеить - кому как удобно.
Половинить энергосберегающую лампу лучше всего рабочей частью отвертки. Внутри патрона есть специальные защелки, которые надо будет отщелкнуть. Если Вы когда-нибудь разбирали пульт дистанционного управления или сотовый телефон , то это похожая процедура.
Только здесь делаете так: вставляете рабочую часть отвертки между двух половинок, и крутите отвертку вправо или влево. Когда щель увеличится, в нее можно вставить еще одну отвертку, а первой немного отступаете, вставляете в щель и опять проворачиваете. Здесь самое главное, как в пульте дистанционного управления - отщелкнуть первую защелку.
Когда у Вас в руках окажутся две половинки, раздвигайте их осторожно. Здесь не надо торопиться, можно оторвать провода.

Перед Вами окажется плата электронного блока , которая одной частью связана с цоколем, а другой - с колбой лампы. Сама плата электронного блока – это обыкновенное пускорегулирующее устройство, которое обычно установлено в старых светильниках дневного света . Только здесь электроника, а там дроссель и стартер.
Определяем степень повреждения лампы
Первым делом осматриваем плату с обеих сторон и визуально определяем, какие из деталей явно повреждены и подлежат замене.
Со стороны радиокомпонентов видимых нарушений не было, а вот со стороны дорожек, где расположены SMD компоненты , видны два резистора R1 и R4, которые однозначно надо менять.

Здесь еще с правой стороны резистора R1 отгорел кусочек дорожки. Это может говорить о том, что в момент включения лампы или во время ее работы, вышел из строя элемент схемы, от чего произошло замыкание в схеме.
Первый осмотр не очень обнадежил. Если горят резисторы и дорожки, то это говорит о том, что схема работала в тяжелом режиме, и заменой только этих резисторов мы не отделаемся.
Определяем неисправные элементы на плате пускорегулирующего устройства
Предохранитель.
В первую очередь проверяем предохранитель. Найти его легко. Одним концом он припаян к центральному контакту цоколя лампы, а вторым к плате. На него надета трубка из изоляционного материала . Обычно при такой неисправности предохранители не выживают.
Но как оказалось, это не предохранитель, а пол ваттный резистор сопротивлением около 10 Ом, причем был сгоревшим (в обрыве).
![]()
Определяется исправность резистора легко.
Мультиметр переводите в режим измерения сопротивления на предел «прозвонка» или «200» и производите замер. Если резистор-предохранитель целый, то прибор покажет сопротивление около 10 Ом, ну а если покажет бесконечность (единицу), значит, он в обрыве.
Здесь один щуп мультиметра ставите к центральному контакту цоколя, а второй к месту на плате, куда припаян вывод резистора-предохранителя.
Еще один момент. Если резистор-предохранитель окажется сгоревшим, то когда будете его выкусывать, старайтесь откусить ближе к корпусу резистора, как показано на правой части верхнего рисунка. Потом к выводу, оставшемуся в цоколе, будем припаивать новый резистор.
Колба (лампа).
Далее проверяем сопротивление нитей накала колбы. Желательно выпаять по одному выводу с каждой стороны. Сопротивление нитей должно быть одинаковым, а если разное, значит, одна из них сгорела. Что не очень хорошо.

В таких случаях специалисты советуют параллельно сгоревшей спирали припаять резистор таким же сопротивлением, как у второй спирали. Но в моем случае обе спирали оказались целыми, а их сопротивление составило 11 Ом.
Следующим этапом проверяем на исправность все полупроводники – это транзисторы, диоды и стабилитрон.

Как правило, полупроводники не любят работу с перегрузкой и коротких замыканий , поэтому их проверяем тщательно.
Диоды и стабилитрон.
Диоды и стабилитрон выпаивать не надо, они и так прекрасно прозваниваются прямо на плате.
Прямое сопротивление p-n перехода диодов будет находиться в пределах 750 Ом, а обратное должно составлять бесконечность. У меня все диоды оказались целыми, что немного обрадовало.
Стабилитрон двуханодный, поэтому в обоих направлениях должен показать сопротивление равное бесконечности (единица).

Если у Вас некоторые диоды оказались неисправные, то их надо приобрести в магазине радиокомпонентов. Здесь используются 1N4007. А вот номинал стабилитрона определить не смог, но думаю, что можно ставить любой с подходящим напряжением стабилизации.
Транзисторы.
Транзисторы, а их два - придется выпаять, так как их p-n переходы база-эмиттер зашунтированы низкоомной обмоткой трансформатора.

Один транзистор звонился и вправо и влево, а вот второй был якобы целым, но вот между коллектором и эмиттером, в одном направлении, показал сопротивление около 745 Ом. Но я значение этому не придал, и посчитал его неисправным, так как с транзисторами типа 13003 дело имел в первый раз.
Транзисторы такого типа, в корпусе ТО-92, найти не смог, пришлось купить размером больше, в корпусе ТО-126.
Резисторы и конденсаторы.
Их тоже надо все проверить на исправность. А вдруг.
У меня еще оставался один SMD резистор, номинал которого небыло видно, тем более, что принципиальную схему этого пускорегулирующего устройства я не знал. Но была еще одна такая же рабочая энергосберегающая лампа, и она пришла мне на выручку. На ней видно, что номинал резистора R6 составляет 1,5 Ома.

Чтобы окончательно убедиться в том, что все возможные неисправности были найдены, я прозвонил все элементы на рабочей плате и сравнил их сопротивления на неисправной. Причем выпаивать ничего не стал.
В итоге, по цене вышло совсем не дорого:
1. Транзисторы 13003 – 2 шт. по 10 рублей каждый (в корпусе ТО-126 - взял 10 штук);
2. SMD резисторы - 1,5 Ома и 510 кОм по 1 рублю каждый (взял по 10 штук);
3. Резистор 10 Ом – 3 рубля за штуку (взял 10 штук);
4. Диоды 1N4007 – 5 рублей за штуку (взял 10 штук на всякий случай);
5. Термоусадка – 15 рублей.

Сборка
Здесь меня ожидал сюрприз. Но об этом по порядку.
В первую очередь выпаиваем сгоревшие, а затем впаиваем новые SMD резисторы. Здесь, что-либо советовать трудно, потому что сам толком не научился их выпаивать.
Делаю так: паяльником прогреваю обе стороны одновременно, при этом пытаюсь сдвинуть резистор с места отверткой или жалом паяльника. Если есть возможность, то грею с боковой части резистора и выдавливаю жалом, а если нет, тогда грею верхнюю часть и двигаю отверткой. Только делать это надо аккуратно и быстро, чтобы не отклеились проводники от платы.

На фотографии видно, что резистор прогревается с боку.
Впаивать SMD резисторы намного легче!
Если на контактных площадках остался припой, и он мешает установке резистора, значит, его убираем.
Делается это просто: держите плату под наклоном дорожками вниз, и к контактной площадке подносите угол кончика жала. С жала предварительно тоже снимаете лишний припой.
Когда площадка прогреется, будет видно, как припой перетекает на паяльник. Опять же, делать это надо быстро и аккуратно.
На место ставите резистор, выравниваете его и прижимаете отверткой, и теперь по очереди припаиваете каждую сторону.

Теперь выпаиваем неисправные и впаиваем новые транзисторы. В нужном корпусе транзисторов не нашел, а эти немного великоваты, но цоколевка выводов соответствует. Что уже не плохо.
Здесь откусываем выводы, приблизительно, как на картинке ниже.

Выпаиваете неисправный, и так же впаиваете новый. Один транзистор будет стоять к Вам «передом», а второй «задом». На картинке ниже транзистор стоит «задом».

И последним этапом припаиваем предохранитель-резистор.
Откусываете вывод длиной, как на неисправном. Подпаиваетесь к выводу торчащему из цоколя, одеваете термоусадку, и только после этого, свободный вывод резистора припаиваем к плате на место.

Все готово. Но пока полностью лампу не собираем. Надо убедиться в ее работоспособности.
Еще раз внимательно осматриваем места, где производилась пайка и правильно ли установлены элементы схемы. Здесь нельзя ошибаться. Иначе весь процесс ремонта придется начать сначала.
Подаем питание на лампу. И вот тут у меня произошел хлопок. Рванул транзистор, причем с той же стороны, где неисправный прозванивался и вправо и влево. Ошибок в монтаже не могло быть – проверил несколько раз.
После хлопка потерял транзистор и резистор R6 номиналом 15 Ом. Все остальное было целое.
Опять разбираю рабочую лампу, и сравниваю сопротивление всех элементов. Все в норме. И тут вспомнил про транзистор, который был на половину исправный.
Когда такой транзистор выпаял с рабочей лампы и прозвонил, то оказалось, что между коллектором и эмиттером он так же показывает наличие сопротивления около 745 Ом в одну сторону. Тут стало ясно, что это не простой транзистор. Полез гуглить в интернет.
И тут на одном китайском сайте (ссылка удалена, так как сайт больше не работает) нахожу про транзисторы серии 13003. Оказывается, они бывают простые, составные, с диодом внутри, и различаются только по последним 2 – 3 буквам, нанесенным на корпусе. В данном пускорегулирующем устройстве стояли составные транзисторы с диодом внутри.

Как оказалось, «неисправный» транзистор, у которого прозванивались коллектор и эмиттер в одну сторону, был «живой». И когда Вам придется менять транзисторы, вначале определите по последним буквам какой он – простой или составной.

Впаиваю новый транзистор, и между коллектором и эмиттером ставлю диод согласно приведенной схеме выше: катодом к коллектору, а анодом к эмиттеру.
Вместо резистора SMD ставлю обыкновенный на 15 Ом, так как с таким номиналом эсэмдэшного у меня небыло.
Опять подаю питание. Как видите - лампа горыть.

Вот и все.
Теперь, когда будете ремонтировать энергосберегающие лампы, надеюсь, Вам пригодится мой опыт.
Удачи!
По материалам sesaga.ru
Также Интересно
РЕМОНТ И ПЕРЕДЕЛКА ЭНЕРГОСБЕРЕГАЮЩИХ ЛАМП
ЭНЕРГОСБЕРЕГАЮЩАЯ ЛАМПА ОТ 12В
Мотал на глаз и на память интерпритируя размер сердечников, по схеме непрерывной обмотки. Первой намотал коллекторную обмотку 10 витков проводом 0.4мм, второй базовою 6 витков проводом 0.2мм, проложил слой изоляции намотал внахлест нагрузочную обмотку проводом 0.1 получилось около 330-340 витков. В нагрузку подключил лампу от сканера 7w, устройство сразу заработало, чему свидетельствовал исходящий от лампы свет. Рядом лежала 13-ваттная энергосберегающая лампа со сгоревшей спиралью, решил попробовать осилит это детище подобную нагрузку, был приятно удивлен, при токе в пол ампера при напряжении 12 вольт лампа светит достаточно ярко.
Так же работает от двух литий-ионных аккумуляторов, правда потребляя на 150 ма больше. Во едино спаял навесным монтажом (4 деталюги) и все это чудесным образом разместилось в оригинальном корпусе из под балласта на 220.
Транзистор не особо греется, через пять минут работы на нем можно держать палец. Теперь эта конструкция поедет прямиком на дачу, где как обычно постоянно перебои с электричеством, можно будет чай попить или постель разложить при дневном свете.
Что можно сделать, если у Вас сгорела компактная люминесцентная лампа
Хотя на эконом лампы, в зависимости от производителя, существует гарантия и даже до 3-х лет. Но потребители могут столкнуться с тем что лампочка перегорела, а у вас не сохранилась упаковка, чек покупки, магазин переехал в другое место т.е по каким-то независящим от вас причинам вы не можете обменять поломанную вещь. Мы решили предложить Вам воспользоваться оригинальным решением по использованию, перегоревших эконом ламп которое мы нашли на просторах огромного Интернет-ресурса и предлагаем его Вам.
Помните, вы подвергаете жизнь опасности, попав под напряжение 220В!
Проще всего её выбросить в мусор, ну а можно
из неё сделать … другую, а если ламп сгоревших накопилось
несколько, то можно заняться и …. ремонтом.
Если вы хотя бы раз держали паяльник в руках,
то эта статья для Вас.
Вы сделать самостоятельно электронный баласт для ламп дневного света и включить лампу до
30 Ватт, без стартёра и дросселя, с помощью маленькой платки
снятой с нашей эконом лампы. При этом она будет зажигаться
мгновенно, при понижении напряжения не будет ‘Моргать’.
Данная лампа перегорает двумя способами:
1) горит электронная схема

2) перегорает спираль накала

Для начала выясняем, что же произошло. Разбираем лампу (очень часто собраны на защелках, более дешовые варианты склены).

Отключаем колбу, откусываем провода питания:


Прозваниваем накалы колбы (для принятия решения выбросить колбу или нет)

Мне не повезло, перегорели обе спирали накала
(первый раз в моей немалой практике, обычно одна, а когда
сгорает схема то и ни одной). В общем если хотя бы одна сгорела
колбу выбрасываем, если нет, то она рабочая, а сгорела схема.
Рабочую колбу отлаживаем на хранение (до следующей
сгоревшей экономки) и потом к рабочей схеме цепляем колбу.
Так из нескольких делаем 1, а может и больше (как повезёт).
А вот вариант изготовления лампы дневного света.
Можно подключить, как и 6 Ваттную лампу с «китайского» фонаря
(например, я обмотал её пластиком с зелёной бутылки, а схему
спрятал в сгоревшее зарядное устройство, от мобильного телефона
и получилась классная подсветка для аквариума) так и 30 Ваттную
лампу дневного света:


Можно ли отремонтировать электронный балласт?
Люминесцентные лампы с электронным балластом
сегодня можно встретить повсеместно. Очень популярны настольные
лампы с прямоугольными плафонами и двухколенным держателем.
Во всех магазинах электротоваров уже продаются лампы, вворачиваемые
в обычные патроны с круглой резьбой вместо классических ламп
накаливания. В частности, петербургский метрополитен в последнее
время напрочь избавился от ламп накаливания, заменив их люминесцентными.
Преимущество таких ламп очевидно - продолжительный срок службы,
низкое потребление электроэнергии при высокой светоотдаче
(достаточно сказать, что 11-Ваттная люминесцентная лампа заменяет
75-Вт лампу накаливания), мягкий свет со спектром, близким
к естественному солнечному свету.
Ведущими производителями люминесцентных ламп
являются фирмы Philips, Osram и некоторые другие. К сожалению,
на отечественном рынке имеется достаточно китайских ламп низкого
качества, которые выходят из стоя гораздо чаще, чем их фирменные
собратья. Подробный рассказ об электронных балластах, о принципах
работы, преимуществах, схемотехнических решениях есть в книге
"Силовая электроника для профессионалов и любителей".
Раздел книги называется "Балласт, с которым не утонешь.
Новые методы управления люминесцентными осветительными лампами".
Поэтому читатели, которым необходимо получить первоначальные
сведения об электронных балластах, могут обратиться к книге,
ну а здесь рассматривается достаточно частный вопрос ремонта
вышедших из стоя ламп.
История появления этой статьи связана с приобретением
автором лампы неизвестной фирмы (фото 1). Данная лампа безотказно
работала в люстре несколько месяцев, однако по истечении этого
времени она просто перестала зажигаться. Ничего не оставалось
сделать, как разобрать лампу, аккуратно (с боков) поддев тонкой
отверткой корпус (он состоит из двух половинок, скрепляющихся
между собой тремя выступами-защелками).


Разобранная лампа показана на фото 2. Она состоит из круглого цоколя, схемы управления (собственно электронного балласта) и пластмассового кружка, в который вклеена трубка, которая дает свет. При разборке лампы следует соблюдать осторожность, чтобы, во-первых, не разбить баллон и не повредить себе руки, глаза и прочие части тела, а во-вторых, чтобы не повредить электронную схему (не оторвать "дорожки") и корпус (пластмассовый).

Исследования, проведенные с помощью мультиметра,
показали, что в баллоне лампы перегорела одна спираль. На
фото 3, которое получено уже после вскрытия баллона, видно,
что спираль перегорела, затемнив люминофор в окрестностях.
Было сделано предположение, что с электронным балластом ничего
не случилось (это позже подтвердилось). С большой долей уверенности
можно утверждать, что нить лампы - самое слабое место, и в
подавляющем большинстве вышедших из стоя ламп будет наблюдаться
скорее перегорание нити, нежели выгорание электронной части
схемы.
Кстати, об электронной схеме электронного баласта. Она показана на
фото 4. Схема перерисована с печатной платы. Кроме того, на
ней не показаны некоторые элементы, не затрагивающие основ
работы балласта, а также не приведены номиналы. Балласт лампы
представляет собой двухтактный автогенератор полумостового
типа с насыщающимся трансформатором. Такой автогенератор хорошо
описан в книгах и дополнительных пояснений не требует. На
входе установлен диодный мост VD1-VD4 с фильтром С1, С2, L1.
Конденсатор C1 препятствует проникновению высокочастотных
помех в питающую сеть, конденсатор C2 служит фильтром сетевых
пульсаций, дроссель L1 ограничивает пусковой ток и фильтрует
ВЧ помехи. Дроссель L2 и конденсатор C3 являются элементами
резонансного контура, напряжение в котором "зажигает"
лампу. Конденсатор C4 - пусковой. Понятно, что при обрыве
одной из нитей лампа уже не загорится.

Очень важный элемент схемы - предохранитель F1. Если в схеме электронного балласта что-то случится (например, "выгорят" транзисторы полумоста, создав "сквозной" ток, или пробьется конденсатор C1, С2, или пробьется диодный мост), предохранитель защитит сеть от короткого замыкания и возможного пожара. На фото 5 этот предохранитель показан.

Он представляет собой колбочку без классического
держателя с длинными выводами, один из которых припаян к цоколю,
а другой, к печатной плате балласта. Так что если предохранитель
перегорел, скорее всего, что-то случилось в схеме балласта,
и нужно проверять его элементы. А если нет, балласт наверняка
цел.
Самое интересное, что такую энергосберегающую лампу можно отремонтировать,
и обойдется это дешевле, чем приобрести новую лампу. Она будет
выглядеть, конечно, не так красиво, как промышленная, но вполне
прилично (если все делать аккуратно). Итак, нужно приобрести
сменный элемент для настольной лампы, например, такой, как
показан на фото 6. Производителем этой лампы является итальянская
фирма Osram, мощность лампы - 11 Вт, что соответствует 75
Вт лампы накаливания.

На коробочке лампы есть интересная информация о потребляемой мощности других ламп, а также по надежности. Данная лампа мощностью 9 Вт заменит 60-Ваттную лампу накаливания, 9 Вт - 40- Ваттную, а 5 Вт - 25-Ваттную. Гарантированное время наработки на отказ - 10000 часов, что соответствует 10 лампам накаливания. Это - примерно 13 месяцев непрерывной работы. Цоколь дампы должен содержать четыре вывода, то есть две спирали (фото 7). У данной лампы правые два вывода относятся к одной спирали, левые два - к другой спирали. Если расположение спиралей неочевидно, всегда можно разыскать нужные выводы с помощью мультиметра - спирали имеют низкое сопротивление порядка нескольким Ом.

Выводы лампы необходимо осторожно, не допуская перегрева, облудить припоем.
Теперь займемся подготовкой основания, к которому будем крепить лампу. Кружок, похожий на имеющийся, залитый белой массой (фото 8), нужно изготовить новый и напильником подготовить площадку, к которой будет приклеена лампа (фото 9). Колбу лампы разбивать категорически не рекомендуется.


Дальше лучше проверить, как зажигается лампа. Подпаиваем выводы лампы к балласту (фото 11) и включаем балласт в сеть. Для приработки стоит его потренировать, включая-отключая несколько раз и выдержав во включенном состоянии несколько часов. Лампа светится достаточно ярким светом, и при этом греется, поэтому ее лучше положить на дощечку и накрыть несгораемым листом. Когда тренировка проведена, разбираем эту конструкцию и начинаем монтаж лампы.

Берем тюбик суперклея "Момент" и наносим на сопрягаемые поверхности несколько капель. Потом вставляем выводы в отверстия и плотно прижимаем детали друг другу, выдерживая полчаса в таком виде. Клей надежно "схватит" детали (фото 10). Лучше использовать этот клей, или дихлорэтан, поскольку для надежного крепления пластмасса в сопрягаемом месте должна немного расплавиться.

Осталось собрать лампу. Впаиваем балласт в цоколь, не забыв о предохранителе. Заранее (до впайки) нужно припаять четыре провода, которыми лампа будет связана с балластом. Подойдет любой провод, ну лучше, чтобы это был провод типа МГТФ во фторопластовой термостойкой изоляции (фото 12). Собирается лампа тоже просто - достаточно уложить провода внутри цоколя, или скрутить их жгутиком, и затем защелкнуть фиксаторы. Отверстия от прошлого баллона в целях электробезопасности лучше заклеить кружочками, ввырезанными из упаковки от молочных продуктов.

Отремонтированная лампа готова (фото 13). Ее
можно ввернуть в патрон.
В заключение отмечу, что можно достаточно просторно
фантазировать на тему электронных балластов. К примеру, вставить
лампу в красивый светильник и подвесить его к потолку, используя
части от сгоревшей лампы.





